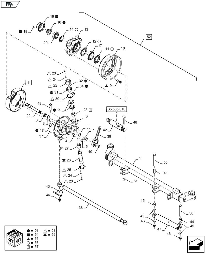
Запчасти Case IH LB324P (27.500.050) - TANDEM AXLE, STEERED REAR AXLE PNEUMATIC BRAKE (27) - REAR AXLE SYSTEM

Схема запчастей Case IH LB324P - (27.500.050) - TANDEM AXLE, STEERED REAR AXLE PNEUMATIC BRAKE (27) - REAR AXLE SYSTEM
35.585.010
56
1
41
56
58
28
21
42
22
55
27
11
47
37
54
38
58
18
57
24
20
13
58
31
59
55
58
55
59
19
53
24
54
46
33
5
54
34
43
58
25
46
23
56
59
52
45
56
30
4
58
56
10
7
9
51
16
44
40
29
35
53
2
45
57
8
53
59
26
46
3
58
17
15
57
59
59
59
58
50
6
39
12
32
54
53
57
36
14
58
49
48
23
home
FIT
1:1
100%

Артикул

Название

Примечание

Количество

1

84521897

AXLE

1шт.

FOR LB424S LB424R LB434S LB434R ONLY

1шт.

1

84531523

AXLE

1шт.

FOR LB324S LB324P LB324R LB334S LB334P LB334R ONLY

1шт.

2

84521905

ARM

LEFT

1шт.

2

84521902

KNUCKLE

RIGHT

1шт.

3

84521848

BRAKE

Incl 4 - 8, 35

2шт.

4

84220999

LOCK WASHER

2шт.

5

100024

NUT,M24 x 1.5, Cl 8

2шт.

6

84014235

SLEEVE

2шт.

7

84519464

HOOD

2шт.

8

84519730

O-RING,2.62mm Thk x 37.77mm ID

2шт.

9

84563584

STUD

, Serial Range: -C084

16шт.

9

47456247

STUD

, Start Serial: D085

16шт.

10

84521826

BRAKE DRUM

2шт.

11

84521823

OIL SEAL

2шт.

12

84100482

RING

2шт.

13

84521825

HUB

2шт.

14

84100484

RING

2шт.

15

84521912

SPACER

1шт.

16

84521828

NUT

2шт.

17

84212727

COTTER PIN

2шт.

18

14301931

HEX SOC SCREW,M8 x 1.25 x 10mm, Cl 10.9, Full Thd

12шт.

19

84521831

COVER

2шт.

20

84100485

BALL BEARING,60mm ID x 110mm OD x 29.75mm W

2шт.

21

84100483

BALL BEARING,75mm ID x 130mm OD x 33.25mm W

2шт.

22

84214383

CAMSHAFT

2шт.

23

336199

BOLT,Hex, M8 x 1.25 x 12mm, Cl 8.8, Full Thd

10шт.

24

80681

LOCK WASHER,5/16"

10шт.

25

84215200

CAP

2шт.

26

87747217

SHAFT

2шт.

27

84216293

BUSHING

2шт.

28

84216291

BUSHING

2шт.

29

84216296

WASHER

4шт.

30

84216320

O-RING

2шт.

31

84215201

RING NUT

2шт.

32

84025751

LOCK PIN,M6 x 12, Slotted

4шт.

33

84215199

CAP

2шт.

34

300442

HEX SOC SCREW,M10 x 30mm, Cl 8.8

2шт.

35

300632

SNAP RING,M38, External

2шт.

36

16440421

BOLT,Hex, M20 x 2.5 x 200mm, Cl 8.8

1шт.

37

150024

LUBE NIPPLE,45 Degree, M8 x 1

2шт.

38

84521907

BAR

1шт.

39

84301463

LEVER

2шт.

40

84045556

CIRCLIP

2шт.

41

84100595

BUSHING

1шт.

42

84100596

STEERING CYLINDER

2шт.

43

84580867

SUPPORT

LEFT

1шт.

43

84580866

SUPPORT

RIGHT

1шт.

44

84100593

BUSHING

1шт.

45

84100594

WASHER

4шт.

46

412180

NUT,M20 x 2.5, Cl 8

5шт.

47

84100592

SHOCK ABSORBER

1шт.

48

84100597

SCREW

2шт.

49

43188

SCREW,Hex, M20 x 120mm, Cl 8.8

2шт.

50

84521909

BOLT,Hex, M20 x 2.5 x 210mm

3шт.

51

84100598

LOCK NUT

2шт.

52

84524603

REAR AXLE

Incl 1 - 51, 53 - 59

1шт.

FOR LB424S LB424R LB434S LB434R ONLY

1шт.

52

47377336

REAR AXLE

Incl 1 - 51, 53 - 59

1шт.

FOR LB324S LB324P LB324R LB334S LB334P LB334R ONLY

1шт.

53

84521844

CROWN NUT

Incl 16, 17

1шт.

54

84521845

KIT

Incl 18, 19

1шт.

55

47462799

FIP KIT

Incl 9

2шт.

56

84521846

SEAL KIT

Incl 11, 12, 14

1шт.

57

84215225

KIT

Incl 27, 28

1шт.

58

84215226

KIT

Incl 23 - 25, 30, 33

1шт.

59

84215228

KIT

Incl 26, 29, 31 - 32, 34

1шт.

Выбрано товаров: 68