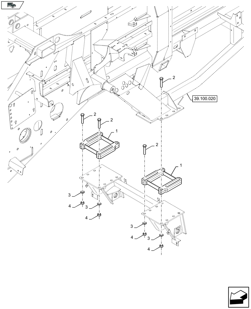
Запчасти Case IH LB324P (27.500.100) - AXLE SPACER (27) - REAR AXLE SYSTEM

Схема запчастей Case IH LB324P - (27.500.100) - AXLE SPACER (27) - REAR AXLE SYSTEM
39.100.020
4
1
2
4
4
3
1
2
4
3
3
2
2
3
home
FIT
1:1
100%

Артикул

Название

Примечание

Количество

1

84360015

BLOCK

2шт.

FOR AXLE SPACER 50 MM ONLY

1шт.

1

84359638

BLOCK

2шт.

FOR AXLE SPACER 25 MM ONLY

1шт.

2

395528

BOLT,Hex, M20 x 2.5 x 100mm, Cl 8.8

16шт.

FOR AXLE SPACER 50 MM ONLY

1шт.

2

382101

BOLT,Hex, M20 x 2.5 x 80mm, Cl 8.8

16шт.

FOR AXLE SPACER 25 MM ONLY

1шт.

2

86503156

BOLT,Hex, M20 x 2.5 x 55mm, Cl 8.8, Full Thd

16шт.

WITHOUT AXLE SPACER

1шт.

3

322359

BELLEVILLE WASHER,M20 Bolt Size x 40mm OD x 3.2mm Thk

16шт.

4

9706694

NUT,Hex, M20, Cl 8

16шт.

Выбрано товаров: 12