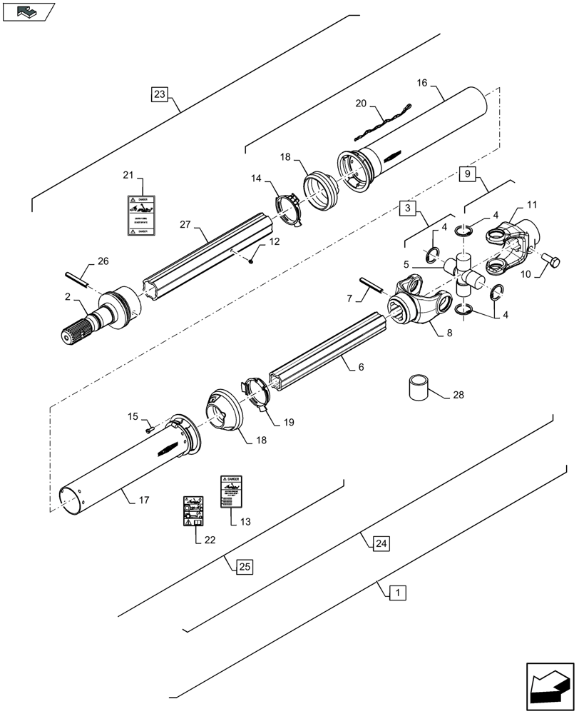
Запчасти Case IH LB324P (31.201.051) - POWER TAKE-OFF, REAR - D137 (31) - IMPLEMENT POWER TAKE OFF

Схема запчастей Case IH LB324P - (31.201.051) - POWER TAKE-OFF, REAR - D137 (31) - IMPLEMENT POWER TAKE OFF
23
19
14
10
25
17
13
20
4
21
home
27
3
12
16
7
4
11
1
2
18
5
18
24
4
22
15
8
6
26
9
28
FIT
1:1
100%

Артикул

Название

Примечание

Количество

1

47695754

SHAFT

Incl 2 - 28

1шт.

2

NSS

NOT SOLD SEPARAT

Tube Incl in 23

1шт.

3

47839408

KIT

Incl 4, 5

1шт.

4

NSS

NOT SOLD SEPARAT

Snap Ring Incl in 3

4шт.

5

NSS

NOT SOLD SEPARAT

Spider Joint Incl in 3

1шт.

6

NSS

NOT SOLD SEPARAT

Tube Incl in 24

1шт.

7

NSS

NOT SOLD SEPARAT

Tube Incl in 24

1шт.

8

NSS

NOT SOLD SEPARAT

Yoke Incl in 24

1шт.

9

47839414

YOKE

Incl 10, 11

1шт.

10

87587210

KIT

1шт.

11

NSS

NOT SOLD SEPARAT

Yoke Incl in 9

1шт.

12

NSS

NOT SOLD SEPARAT

Screw Incl in 1

1шт.

13

84100458

DECAL

1шт.

14

87517831

BEARING COVER,89.4 mm ID x 132 mm OD x 12 mm

1шт.

15

87587200

SELF-TAP SCREW

6шт.

16

47839431

TUBE

1шт.

17

47839459

TUBE

1шт.

18

87716345

SHIELD

1шт.

19

86979196

BEARING,86mm ID x 132mm OD x 12mm H

1шт.

20

87716347

CHAIN,400mm L

2шт.

21

87716348

DANGER DECAL

1шт.

22

84078329

DECAL

1шт.

23

47839475

DRIVE

Incl 2, 12, 14, 16, 18, 20, 21, 26, 27

1шт.

24

47839505

DRIVE

Incl 3 - 11, 13, 17, 19, 22

1шт.

25

47839508

KIT

Incl 14 - 20

1шт.

26

NSS

NOT SOLD SEPARAT

Tube Incl in 23

1шт.

27

NSS

NOT SOLD SEPARAT

Tube Incl in 23

1шт.

28

84555361

PLUG

1шт.

Выбрано товаров: 28