Запчасти Case IH LB324R (88.027.001[01]) - SERVICE KIT: BRAKE KIT TO AVOID CROP ACCUMULATION FOR PNEUMATIC BRAKES - C145 (88) - ACCESSORIES

Схема запчастей Case IH LB324R - (88.027.001[01]) - SERVICE KIT: BRAKE KIT TO AVOID CROP ACCUMULATION FOR PNEUMATIC BRAKES - C145 (88) - ACCESSORIES
4
8
10
7
6
7
2
6
3
5
10
home
4
1
5
9
FIT
1:1
100%

Артикул

Название

Примечание

Количество

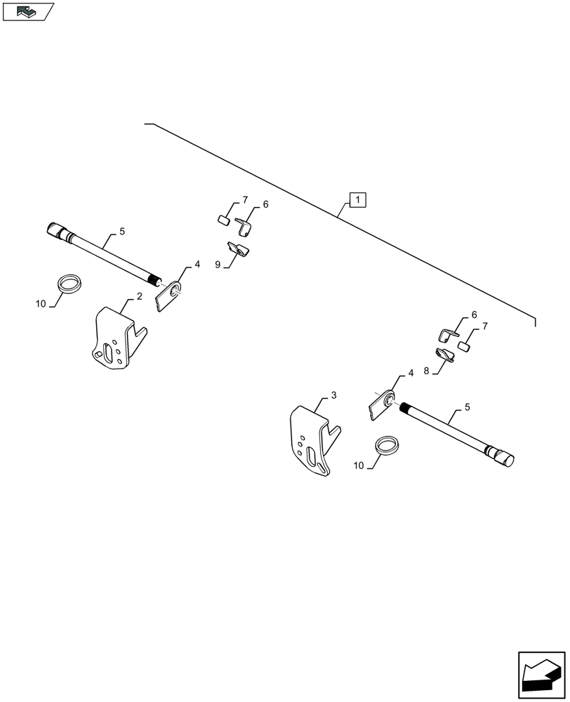
1

47952108

KIT

Incl 2 - 10

1шт.

2

47935039

SUPPORT

1шт.

3

47935040

SUPPORT

1шт.

4

47923287

SUPPORT

2шт.

5

47923279

CAMSHAFT

2шт.

6

47952096

SUPPORT

2шт.

7

47952099

SUPPORT

2шт.

8

47952101

SUPPORT

1шт.

9

47952102

SUPPORT

1шт.

10

47952245

RING

2шт.

Выбрано товаров: 0