Запчасти Case IH LB324R (88.070.001[02]) - DIA KIT: ROLLER BALE CHUTE - C136 (88) - ACCESSORIES

Схема запчастей Case IH LB324R - (88.070.001[02]) - DIA KIT: ROLLER BALE CHUTE - C136 (88) - ACCESSORIES
7
7
5
4
home
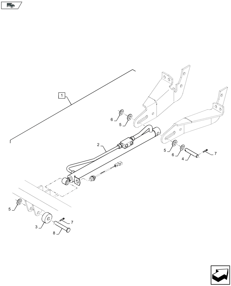
1
3
2
6
5
6
8
5
FIT
1:1
100%

Артикул

Название

Примечание

Количество

1

47599068

DIA KIT, HARVESTER

Incl 2 - 8

1шт.

2

84300618

HYDRAULIC CYLINDER

1шт.

3

47931704

ROLLER

1шт.

4

412109

PIN

1шт.

5

378246

WASHER,17mm ID x 34mm OD x 3mm Thk

3шт.

6

84814924

WASHER,16.3mm ID x 31.5mm OD x 1.25mm Thk

2шт.

7

130007

COTTER PIN,M4 x 25

3шт.

8

47931819

PIN

1шт.

Выбрано товаров: 8