Запчасти Case IH LB324R (88.070.007[02]) - DIA KIT : PARTIAL BALE EJECT - F085136 (88) - ACCESSORIES

Схема запчастей Case IH LB324R - (88.070.007[02]) - DIA KIT : PARTIAL BALE EJECT - F085136 (88) - ACCESSORIES
8
3
5
9
2
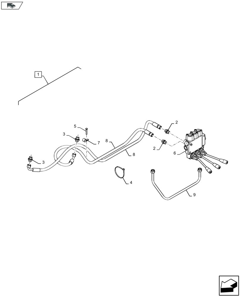
1
7
3
home
2
6
8
4
FIT
1:1
100%

Артикул

Название

Примечание

Количество

1

47510919

DIA KIT, HARVESTER

Incl 2 - 9

1шт.

2

9813512

HYD CONNECTOR

2шт.

3

395019

HYD CONNECTOR,M18 x 1.5 ORB x M16 x 1.5 ORB

2шт.

4

86566990

CABLE TIE,292mm OAL x 4.8mm W

4шт.

5

120056

BOLT,M6 x 1.0 x 54.15mm, Cl 8.8

1шт.

6

84568220

VALVE

1шт.

7

9706748

CLAMP,15.9mm, Coat, 8.7mm Bolt Hole, P Type

1шт.

8

47371203

HYDRAULIC HOSE,7.92mm ID x 1260mm L, SAE 100R16

2шт.

9

84542395

HYD TUBE

1шт.

87479616

DECAL

1шт.

Выбрано товаров: 10