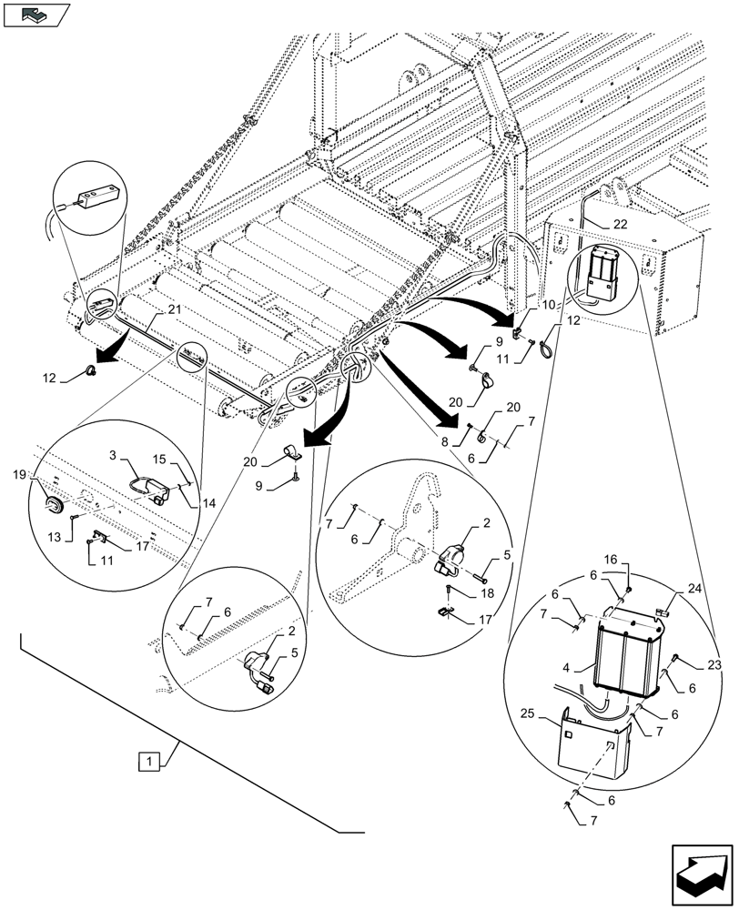
Запчасти Case IH LB324R (88.070.023[03]) - DIA KIT: BALE WEIGHING SYSTEM - D167 (88) - ACCESSORIES

Схема запчастей Case IH LB324R - (88.070.023[03]) - DIA KIT: BALE WEIGHING SYSTEM - D167 (88) - ACCESSORIES
11
23
6
20
8
3
20
10
18
7
7
7
24
2
2
22
1
21
6
home
9
6
20
13
7
17
6
15
19
6
12
16
12
5
7
7
5
6
4
14
11
25
6
9
6
17
FIT
1:1
100%

Артикул

Название

Примечание

Количество

1

48043464

DIA KIT, HARVESTER

Incl 2 - 25

1шт.

2

87026294

SENSOR

2шт.

3

84159863

SENSOR

1шт.

4

84134704

CONTROLLER

1шт.

5

86977789

BOLT,Hex, M6 x 1.0 x 35mm, Cl 8.8

4шт.

6

322357

BELLEVILLE WASHER,M6 Bolt Size x 14mm OD x 1.3mm Thk

13шт.

7

9706755

NUT,M6, Cl 8

9шт.

8

374891

CARRIAGE BOLT,Rnd Head, M6 x 1 x 25mm, Cl 8.8

1шт.

9

9512290

RIVET,Pop, 4.8mm OD x 17.8mm L

6шт.

10

86590413

BASE,15.87mm W x 22.22mm OAL x 9.9mm Thk

11шт.

11

445394

RIVET,Pop, 3/16" x 1/2" OAL

11шт.

12

86566989

CABLE TIE,208mm L

40шт.

13

86511824

SCREW,Phillips Drive, Pan HD, M4 x 0.7 x 20mm, Cl 4.8

2шт.

14

322355

BELLEVILLE WASHER,M4 Bolt Size x 10mm OD x 0.9mm Thk

2шт.

15

100012

NUT,M4 x 0.7, Cl 8

2шт.

16

86508568

BOLT,Hex, M6 x 1 x 16mm, Cl 8.8

2шт.

17

84058832

CLIP

3шт.

18

445395

RIVET,Pop, 4.8mm OD x 18.1mm L

3шт.

19

173011

GROMMET,1” ID x 1.750” OD x .500” Tk

1шт.

20

9827902

CLAMP,25.4mm, Coat, 10.3mm Bolt Hole, P Type

7шт.

21

48014120

WIRE HARNESS

1шт.

22

47966336

WIRE HARNESS

1шт.

23

300506

BOLT,Hex, M6 x 1 x 25mm, Cl 8.8, Full Thd

1шт.

24

87380352

ELEC CONNECTOR

1шт.

25

84480655

PLATE

1шт.

Выбрано товаров: 25