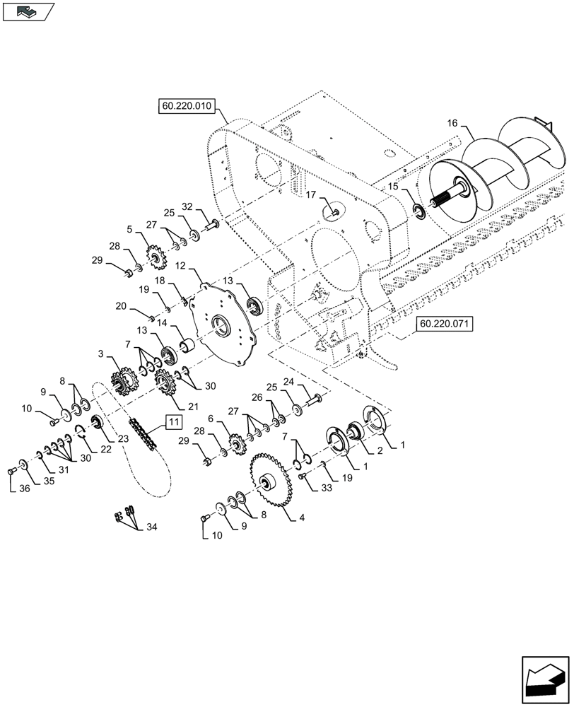
Запчасти Case IH LB324S (60.220.031) - PICK-UP, AUGER TRANSMISSION, RH - D085 (60) - PRODUCT FEEDING

Схема запчастей Case IH LB324S - (60.220.031) - PICK-UP, AUGER TRANSMISSION, RH - D085 (60) - PRODUCT FEEDING
60.220.010
23
19
22
29
30
31
3
34
10
10
29
20
1
2
27
7
8
33
26
28
6
25
14
25
5
24
32
35
home
4
12
7
36
13
15
18
11
8
19
30
13
1
28
9
27
9
16
21
17
60.220.071
FIT
1:1
100%

Артикул

Название

Примечание

Количество

1

36403

BEARING HOUSING

2шт.

2

9837842

BEARING,35mm ID x 72mm OD x 19mm W

1шт.

MAINTENANCE PART

1шт.

3

84572560

SPROCKET

1шт.

4

47499415

SPROCKET

1шт.

5

87517107

DRIVEN SPROCKET

1шт.

6

84024221

DRIVEN SPROCKET

1шт.

7

84429871

WASHER

5шт.

8

442293

WASHER,36mm ID x 50mm OD x 1.5mm Thk

4шт.

9

9801096

WASHER,13.5mm ID x 50.8mm OD x 4.76mm Thk

2шт.

10

300388

BOLT,Hex, M12 x 1.75 x 25mm, Cl 8.8

2шт.

11

84301454

CHAIN

Incl 34, Serial Range: -C098

1шт.

MAINTENANCE PART

1шт.

11

47663320

CHAIN

Incl 34, Start Serial: D099

1шт.

MAINTENANCE PART

1шт.

12

84216317

CONE

1шт.

13

84438926

BALL BEARING,35mm ID x 72mm OD x 17mm W

2шт.

MAINTENANCE PART

1шт.

14

84216322

SLEEVE

1шт.

15

417723

SEAL

1шт.

16

47502816

AUGER

, Serial Range: -C087

1шт.

FOR LB324S, LB324P, LB334S, LB334P, LB324S XL, LB324P XL, LB334S XL, LB334P XL ONLY

1шт.

16

47579164

AUGER

, Start Serial: D088

1шт.

FOR LB324S, LB324P, LB334S, LB334P, LB324S XL, LB324P XL, LB334S XL, LB334P XL ONLY

1шт.

16

84572543

AUGER

, Serial Range: -C087

1шт.

FOR LB424S, LB434S, LB424S XL, LB434S XL ONLY

1шт.

16

47502816

AUGER

, Start Serial: D088

1шт.

FOR LB424S, LB434S, LB424S XL, LB434S XL ONLY

1шт.

17

86633356

CARRIAGE BOLT,M10 x 34.8mm, Cl 8.8

6шт.

18

675162

WIRE CLAMP,6.3mm, Coat, 10.3mm Bolt Hole, P Type

2шт.

19

140045

BELLEVILLE WASHER,M10 Bolt Size x 22mm OD x 1.6mm Thk

9шт.

20

100016

NUT,M10 x 1.5, Cl 8

6шт.

21

84568878

SPROCKET

, Serial Range: -C136

1шт.

21

47635046

SPROCKET

, Start Serial: D137

1шт.

22

370011

CIRCLIP,M52 x 2mm Thk, Internal

1шт.

23

443898

BALL BEARING,25mm ID x 52mm OD x 15mm W

, Serial Range: -C136

1шт.

23

47462369

BALL BEARING

, Start Serial: D137

1шт.

24

120046

CARRIAGE BOLT,M16 x 60mm, Cl 8.8

1шт.

25

86592702

WASHER,17mm ID x 45mm OD x 6mm Thk

2шт.

26

86639311

WASHER,17.5mm ID x 34mm OD x 3mm Thk

2шт.

27

87524773

SHIM,16.3mm ID x 32mm OD x 1mm Thk

5шт.

28

140048

BELLEVILLE WASHER,M16 Bolt Size x 32mm OD x 2.8mm Thk

2шт.

29

100020

NUT,M16 x 2.0, Cl 8

2шт.

30

419854

WASHER,26mm ID x 35mm OD x 1mm Thk

6шт.

31

370002

CIRCLIP,M25, External

1шт.

32

412185

CARRIAGE BOLT,Short Sq Nk, M16 x 2 x 50mm, Cl 8.8, Full Thd

1шт.

33

43138

BOLT,Hex, M10 x 1.5 x 20mm, Cl 8.8

3шт.

34

165590

CONNECTING LINK

1шт.

MAINTENANCE PART

1шт.

35

86592701

WASHER,13mm ID x 35mm OD x 5mm Thk

, Start Serial: D137

1шт.

36

300388

BOLT,Hex, M12 x 1.75 x 25mm, Cl 8.8

, Start Serial: D137

1шт.

Выбрано товаров: 51