Запчасти Case IH LB324S (60.240.050) - PACKER CLUTCH - C150 (60) - PRODUCT FEEDING

Схема запчастей Case IH LB324S - (60.240.050) - PACKER CLUTCH - C150 (60) - PRODUCT FEEDING
7
4
60.240.040
13
2
5
8
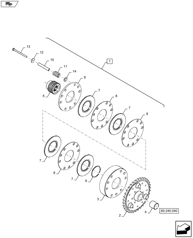
1
12
7
8
14
7
8
7
6
10
11
3
9
home
FIT
1:1
100%

Артикул

Название

Примечание

Количество

1

84261363

SLIP CLUTCH

Incl 2 - 14

1шт.

2

84261364

SPROCKET

1шт.

3

84800488

CLUTCH DISC

1шт.

4

84045306

BUSHING,44.98mm ID x 50.02mm OD x 50mm L

1шт.

5

84041818

GEAR

1шт.

6

84041833

CIRCLIP

1шт.

7

261798

CLUTCH PLATE,101.6mm ID x 174.6mm OD x 7.11mm Thk

4шт.

MAINTENANCE PART

1шт.

8

84041824

DISC,97mm ID x 230mm OD x 3.5mm Thk

3шт.

9

84041827

CLUTCH DISC

1шт.

10

84349340

TUBE

, Serial Range: -C094

9шт.

10

47604645

TUBE

, Start Serial: D095

9шт.

11

322270

SPRING

9шт.

12

9832748

WASHER

9шт.

13

331168

BOLT,Hex, M10 x 1.5 x 140mm, Cl 8.8

, Serial Range: -C094

9шт.

13

PA7120741

BOLT

, Start Serial: D095

9шт.

14

9820493

WASHER,20.5mm ID x 35mm OD x 2mm Thk

1шт.

Выбрано товаров: 17