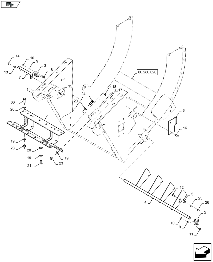
Запчасти Case IH LB324S (60.280.030) - FEED CHAMBER, SHAFT (60) - PRODUCT FEEDING

Схема запчастей Case IH LB324S - (60.280.030) - FEED CHAMBER, SHAFT (60) - PRODUCT FEEDING
60.280.020
19
12
23
6
4
20
20
17
13
18
5
home
7
9
10
1
8
26
11
2
22
16
19
24
14
19
23
25
9
20
10
21
3
15
FIT
1:1
100%

Артикул

Название

Примечание

Количество

1

47367095

SUPPORT

, Serial Range: -C049

1шт.

FOR LB324S LB334S ONLY

1шт.

1

47435127

SUPPORT

, Start Serial: D050

1шт.

FOR LB324S LB334S ONLY

1шт.

1

47367092

SUPPORT

1шт.

FOR LB424S LB434S ONLY

1шт.

2

9837806

FLANGED BEARING,25mm ID

1шт.

3

9839087

NYLON BEARING,25.5mm ID x 50mm OD x 30mm Thk

1шт.

4

84344255

SHAFT

, Serial Range: -C129

1шт.

FOR LB324S LB334S ONLY

1шт.

4

47738868

SHAFT

, Start Serial: D130

1шт.

FOR LB324S LB334S ONLY

1шт.

4

84344267

SHAFT

, Serial Range: -C129

1шт.

FOR LB424S LB434S ONLY

1шт.

4

47738864

SHAFT

, Start Serial: D130

1шт.

FOR LB424S LB434S ONLY

1шт.

5

84004713

BUSHING,10.5mm ID x 25mm OD x 18mm L

, Serial Range: -C129

1шт.

6

84100500

PLATE

1шт.

7

84073277

PLATE

1шт.

8

86512443

CARRIAGE BOLT,Sht Nk, M8 x 35mm, Cl 8.8, Full Thd

2шт.

9

322358

BELLEVILLE WASHER,M8 Bolt Size x 18mm OD x 1.4mm Thk

4шт.

10

9706690

NUT,M8 x 1.25, Cl 8

4шт.

11

86507486

CARRIAGE BOLT,M8 x 1.25 x 20mm, Cl 8.8

2шт.

12

412183

CARRIAGE BOLT,Short Sq Nk, M10 x 35mm, Cl 8.8

, Serial Range: -C129

1шт.

13

140045

BELLEVILLE WASHER,M10 Bolt Size x 22mm OD x 1.6mm Thk

1шт.

14

100016

NUT,M10 x 1.5, Cl 8

1шт.

15

338949

CARRIAGE BOLT,M10 x 1.5 x 25mm, Cl 8.8

1шт.

16

43139

BOLT,M10 x 1.5 x 25mm, Cl 8.8

2шт.

17

140046

BELLEVILLE WASHER,M12 Bolt Size x 27mm OD x 1.8mm Thk

2шт.

18

9706685

NUT,M12 x 1.75, Cl 8

2шт.

19

140048

BELLEVILLE WASHER,M16 Bolt Size x 32mm OD x 2.8mm Thk

1шт.

20

394631

WASHER,17mm ID x 34mm OD x 4mm Thk

1шт.

21

86508583

BOLT,Hex, M16 x 35mm, Cl 8.8, Full Thd

1шт.

22

43168

BOLT,Hex, M16 x 40mm, Cl 8.8

1шт.

23

86000441

NUT,M16 x 2.0, Cl 8

1шт.

24

86595832

CARRIAGE BOLT,Sht Sq Nk, M16 x 40mm, Cl 8.8, Full Thd

2шт.

25

140045

BELLEVILLE WASHER,M10 Bolt Size x 22mm OD x 1.6mm Thk

, Serial Range: -C129

1шт.

26

100016

NUT,M10 x 1.5, Cl 8

, Serial Range: -C129

1шт.

Выбрано товаров: 38