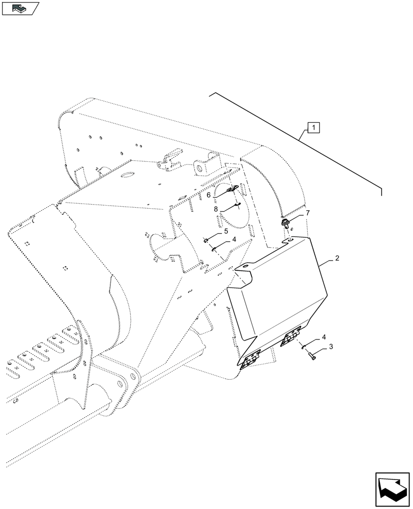
Запчасти Case IH LB324S (88.060.031[05]) - SERVICE KIT: PACKER CRANKSHAFT & DRIVE KIT - C159 (88) - ACCESSORIES

Схема запчастей Case IH LB324S - (88.060.031[05]) - SERVICE KIT: PACKER CRANKSHAFT & DRIVE KIT - C159 (88) - ACCESSORIES
5
2
8
4
4
3
6
home
1
7
FIT
1:1
100%

Артикул

Название

Примечание

Количество

1

48126005

Incl 2 - 8

SERVICE KIT

1шт.

2

47962782

COVER

1шт.

3

120100

BOLT,M6 x 20mm, Cl 8.8

4шт.

4

322357

BELLEVILLE WASHER,M6 Bolt Size x 14mm OD x 1.3mm Thk

8шт.

5

9706755

NUT,M6, Cl 8

4шт.

6

9514604

MOUNTING CLIP

2шт.

7

9514603

LOCK,1/4 Turn, 28.8mm OAL

2шт.

8

9514605

LOCK WASHER,9.8mm ID x 18.5mm OD x 1.5mm Thk

2шт.

Выбрано товаров: 8