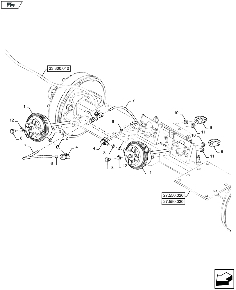
Запчасти Case IH LB324S (33.300.030) - PNEUMATIC BRAKES - SINGLE AXLE - C015 (33) - BRAKES & CONTROLS

Схема запчастей Case IH LB324S - (33.300.030) - PNEUMATIC BRAKES - SINGLE AXLE - C015 (33) - BRAKES & CONTROLS
home
7
27.550.020
10
9
33.300.040
4
2
4
8
10
12
11
9
7
6
6
1
2
5
11
27.550.030
3
12
3
8
1
FIT
1:1
100%

Артикул

Название

Примечание

Количество

1

84014962

CYLINDER

2шт.

2

9512532

O-RING

2шт.

3

9512533

WASHER, THRUST,16.1mm ID x 22mm OD x 2.6mm Thk

2шт.

4

84007190

ELBOW,M16 x 1.5 Male

2шт.

5

84014954

3 WAY CONNECTION

1шт.

FOR LB324S LB324P LB324R LB334S LB334P LB334R ONLY

1шт.

5

84100076

3 WAY CONNECTION

1шт.

FOR LB424S LB424R LB434S LB434R ONLY

1шт.

6

9512527

FERRULE

2шт.

7

84014198

HOSE,18mm OD x 3.5mm Thk

L = 0.5 M

1шт.

8

84014311

PLUG

2шт.

9

84014245

YOKE

2шт.

10

364164

THIN NUT,Thin, M16 x 1.5, Cl 04

2шт.

11

331192

NUT,M16 x 1.5, Cl 8

4шт.

12

84014312

RING

2шт.

Выбрано товаров: 15