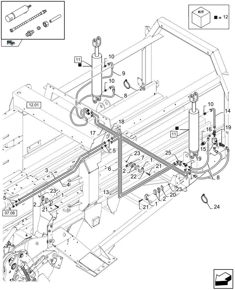
Запчасти Case IH LB333P (07.09[01]) - DENSITY PRESSER SYSTEM, REAR (07) - HYDRAULIC SYSTEM

Схема запчастей Case IH LB333P - (07.09[01]) - DENSITY PRESSER SYSTEM, REAR (07) - HYDRAULIC SYSTEM
9
26
2
14
6
24
5
07.08
20
2
2
25
19
23
11
4
1
11
13
21
3
12.01
22
12
5
10
12
8
8
1
15
18
home
21
21
16
17
12
10
19
1
10
7
12
23
23
FIT
1:1
100%

Артикул

Название

Примечание

Количество

1

431941

SUPPORT

1шт.

2

430357

CLAMP

1шт.

3

84071907

HYD TUBE

1шт.

FOR LB333S, LB333P, LB333R, LB433S, LB433R ONLY

1шт.

3

84432912

HYD TUBE,8 mm OD

1шт.

FOR LB323S, LB323R, LB323P, LB423S, LB423R ONLY

1шт.

4

84073499

HYD TUBE

1шт.

FOR LB333S, LB333P, LB333R, LB433S, LB433R ONLY

1шт.

4

84432914

HYD TUBE,8 mm OD

1шт.

FOR LB323S, LB323R, LB323P, LB423S, LB423R ONLY

1шт.

5

335172

HYD CONNECTOR,M14 x 1.5 x M14 x 1.5

4шт.

6

87496865

HYD TUBE,8 mm OD

, Serial Range: -C799

1шт.

FOR LB333S, LB333P, LB333R, LB433S, LB433R ONLY

1шт.

6

84208242

HYD TUBE,8 mm OD x 1296.1, 926 mm L

, Start Serial: D800

1шт.

FOR LB333S, LB333P, LB333R, LB433S, LB433R ONLY

1шт.

6

87496861

HYD TUBE,8 mm OD x 1327, 758 mm L

, Serial Range: -C799

1шт.

FOR LB323S, LB323R, LB323P, LB423S, LB423R ONLY

1шт.

6

84209419

HYD TUBE,8 mm OD

, Start Serial: D800

1шт.

FOR LB323S, LB323R, LB323P, LB423S, LB423R ONLY

1шт.

7

84007699

COVER PLATE

1шт.

8

84078517

FLEXIBLE HOSE,6.35mm ID x 600mm L, SAE 100R1

4шт.

9

84064567

FLEXIBLE HOSE

1шт.

10

84043514

HYD CONNECTOR

, Serial Range: -C895

3шт.

10

9850318

HYD CONNECTOR

, Start Serial: D896

3шт.

11

87692255

HYDRAULIC CYLINDER,Double Acting, 40mm Rod, 598mm Stroke

(12), Serial Range: -C895

2шт.

FOR LB423S, LB423R, LB433S, LB433R ONLY

1шт.

11

84408341

HYDRAULIC CYLINDER,Double Acting, 40mm Rod, 272mm Stroke

, Start Serial: D896

2шт.

FOR LB423S, LB423R, LB433S, LB433R ONLY

1шт.

11

87653621

HYDRAULIC CYLINDER,Double Acting, 35mm Rod, 355mm Stroke

(12), Serial Range: -C895

2шт.

FOR LB333S, LB333P, LB333R ONLY

1шт.

11

84408340

HYDRAULIC CYLINDER,Double Acting, 35mm Rod, 355mm Stroke

, Start Serial: D896

2шт.

FOR LB333S, LB333P, LB333R ONLY

1шт.

11

87493631

HYDRAULIC CYLINDER

(12)

1шт.

FOR LB323S, LB323P, LB323R ONLY

1шт.

12

87653623

SEAL KIT

1шт.

FOR LB423S, LB423R, LB433S, LB433R ONLY

1шт.

12

87654588

SEAL KIT

1шт.

FOR LB323S, LB323P, LB323R, LB333S, LB333P, LB333R ONLY

1шт.

13

87496867

HYD TUBE,8 mm OD

, Serial Range: -C799

1шт.

FOR LB333S, LB333P, LB333R, LB433S, LB433R ONLY

1шт.

13

84208244

HYD TUBE,8 mm OD

, Start Serial: D800

1шт.

FOR LB333S, LB333P, LB333R, LB433S, LB433R ONLY

1шт.

13

87496863

HYD TUBE,8 mm OD x 1345, 758 mm L

, Serial Range: -C799

1шт.

FOR LB323S, LB323R, LB323P, LB423S, LB423R ONLY

1шт.

13

84209421

HYD TUBE,8 mm OD

, Start Serial: D800

1шт.

FOR LB323S, LB323R, LB323P, LB423S, LB423R ONLY

1шт.

14

87496846

HYD TUBE,8 mm OD x 229, 129 mm L

, Serial Range: -C895

1шт.

FOR LB423S, LB423R, LB433S, LB433R ONLY

1шт.

14

84292347

HYD TUBE

, Start Serial: D896

1шт.

FOR LB423S, LB423R, LB433S, LB433R ONLY

1шт.

14

87496844

HYD TUBE,8 mm OD x 283, 148 mm L

, Serial Range: -C895

1шт.

FOR LB333S, LB333P, LB333R ONLY

1шт.

14

84292369

HYD TUBE

, Start Serial: D896

1шт.

FOR LB333S, LB333P, LB333R ONLY

1шт.

14

84452439

HYD TUBE,287.9, 139.6 mm L

1шт.

FOR LB323S, LB323P, LB323R ONLY

1шт.

15

84100885

DRAINCOCK/TAP SUPPLY

1шт.

16

84452214

HYD CONNECTOR

, Serial Range: -C895

1шт.

16

84100140

HYD CONNECTOR

, Start Serial: D896

1шт.

17

87496850

HYD TUBE,8 mm OD x 1635, 81 mm L

1шт.

FOR LB423S, LB423R, LB433S, LB433R ONLY

1шт.

17

87496859

HYD TUBE,8 mm OD

1шт.

FOR LB323S, LB323P, LB323R, LB333S, LB333P, LB333R ONLY

1шт.

18

87496848

HYD TUBE,8 mm OD

1шт.

FOR LB423S, LB423R, LB433S, LB433R ONLY

1шт.

18

87496852

HYD TUBE,8 mm OD

1шт.

FOR LB323S, LB323P, LB323R, LB333S, LB333P, LB333R ONLY

1шт.

19

84064562

HYD CONNECTOR

3шт.

20

434097

SUPPORT

2шт.

21

43118

BOLT,Hex, M6 x 1.0 x 40mm, Cl 8.8

1шт.

22

140015

WASHER,6.4mm ID x 14mm OD x 1.6mm Thk

2шт.

23

412152

NUT,M6 x 1, Cl 8.8

1шт.

24

396718

STRAP

2шт.

25

418283

ELBOW

, Start Serial: D800

1шт.

26

86566990

CABLE TIE,292mm OAL x 4.8mm W

CABLE STRAP, Start Serial: D800

2шт.

Выбрано товаров: 75