Запчасти Case IH LB333P (06.19[01]) - ELECTRICITY BALE CONTROL (06) - ELECTRICAL SYSTEMS

Схема запчастей Case IH LB333P - (06.19[01]) - ELECTRICITY BALE CONTROL (06) - ELECTRICAL SYSTEMS
14
15
13.03
33
14
35
17
21
06.21
16
2
14
15
13.29
30
3
03.11
31
29
12.01
10
14
36
7
16
22
14
16
16
17
19
28
12.01
37
12
16
14
26
21
17
01.07
2
34
4
13.01
06.09
13
19
14
11
23
5
13.26
17
06.10
18
15
1
07.08
14
17
25
24
14
14
12.01
home
20
08.08
15
8
24
09.02
6
14
16
27
9
30
15
32
FIT
1:1
100%

Артикул

Название

Примечание

Количество

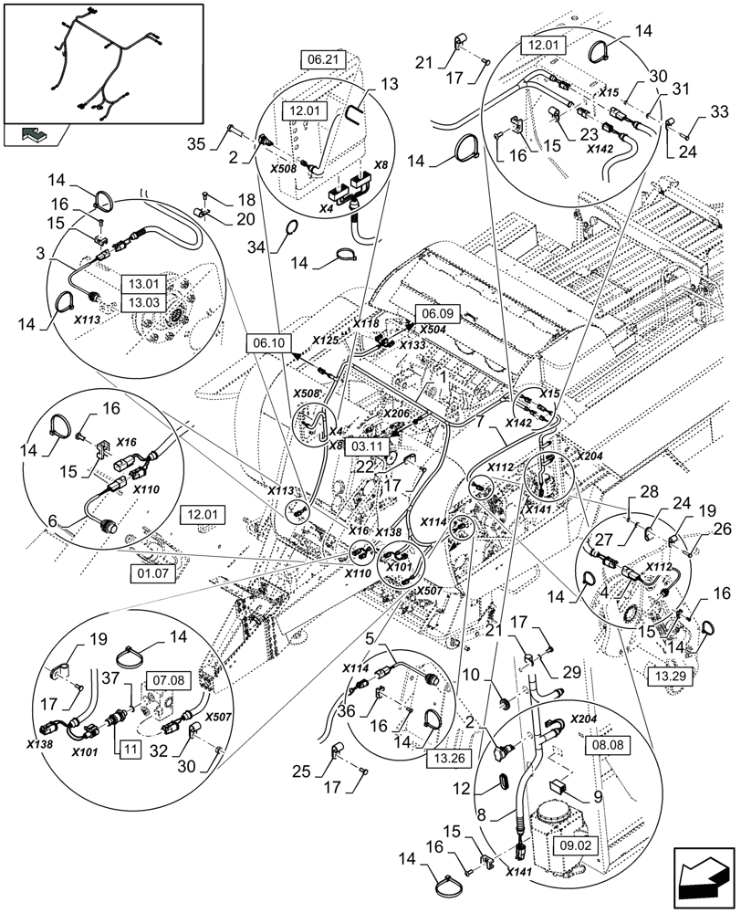
1

87752222

WIRE HARNESS

, Serial Range: -C813

1шт.

SEE FIGURE 06.528

1шт.

1

84243503

WIRE HARNESS

, Start Serial: D814

1шт.

SEE FIGURE 06.528 s02

1шт.

2

82002966

POWER SOCKET,M18 x 1

, Serial Range: -C751

2шт.

2

84191453

SOCKET,12/24V, 20A

, Start Serial: D752

2шт.

3

87342073

SENSOR

B8 - SENSOR PICK UP SPEED, Serial Range: -C867

1шт.

3

87680717

SENSOR

B8 - SENSOR PICK UP SPEED, Start Serial: D868

1шт.

LIMITED FOR BATCH 868

1шт.

3

87342073

SENSOR

B8 - SENSOR PICK UP SPEED

1шт.

4

87342073

SENSOR

B9 - SENSOR STUFFER SHEARBAR, Serial Range: -C867

1шт.

4

87680717

SENSOR

B9 - SENSOR STUFFER SHEARBAR, Serial Range: -F868868

1шт.

LIMITED FOR BATCH 868

1шт.

4

87342073

SENSOR

B9 - SENSOR STUFFER SHEARBAR, Start Serial: D868

1шт.

5

87342073

SENSOR

B13 - SENSOR FEEDER CHANNEL, Serial Range: -C867

1шт.

5

87680717

SENSOR

B13 - SENSOR FEEDER CHANNEL, Serial Range: -F868868

1шт.

LIMITED FOR BATCH 868

1шт.

5

87342073

SENSOR

B13 - SENSOR FEEDER CHANNEL, Start Serial: D868

1шт.

6

87342073

SENSOR

B1 - SENSOR FLYWHEEL BRAKE, Serial Range: -C867

1шт.

6

87680717

SENSOR

B1 - SENSOR FLYWHEEL BRAKE, Serial Range: -F868868

1шт.

LIMITED FOR BATCH 868

1шт.

6

87342073

SENSOR

B1 - SENSOR FLYWHEEL BRAKE, Start Serial: D868

1шт.

7

84131149

WIRE HARNESS

1шт.

SEE FIGURE 06.508

1шт.

8

84460888

WIRE HARNESS

1шт.

SEE FIGURE 06.520

1шт.

9

84819755

PLUG

1шт.

10

103258

GROMMET,5/8" ID x 7/8" Groove Dia

1шт.

11

86523197

SENSOR

B16 - PRESSURE SENSOR (37)

1шт.

12

129959

GROMMET

2шт.

13

401310

PROFILE

L= 320 MM

1шт.

14

86566989

CABLE TIE,208mm L

CABLE STRAP

1шт.

15

86590413

BASE,15.87mm W x 22.22mm OAL x 9.9mm Thk

, Serial Range: -C751

1шт.

15

84058832

CLIP

, Start Serial: D752

1шт.

16

445394

RIVET,Pop, 3/16" x 1/2" OAL

1шт.

17

9512290

RIVET,Pop, 4.8mm OD x 17.8mm L

1шт.

18

9512289

RIVET,Pop, 4.8mm OD x 20.7mm L

5шт.

19

9837759

CLAMP,7mm ID, 10.5mm Bolt Hole, P Type

, Serial Range: -C867

1шт.

20

86010402

CLAMP,12.7mm, Coat, 10.3mm Bolt Hole, P Type

5шт.

21

84818442

CLAMP,13.3mm ID, 6.7mm Bolt Hole, P Type

1шт.

22

84818444

CLAMP,22.3mm ID, 6.7mm Bolt Hole, P Type

3шт.

23

9837692

CLAMP,16.67mm ID, 13.46mm Bolt Hole, P Type

2шт.

24

418407

CLAMP,24mm ID, 8.5mm Bolt Hole, P Type

4шт.

25

84818441

CLAMP,12.3mm ID, 6.7mm Bolt Hole, P Type

1шт.

26

43117

SCREW,Hex, M6 x 1.0 x 30mm, Cl 8.8

1шт.

27

322357

BELLEVILLE WASHER,M6 Bolt Size x 14mm OD x 1.3mm Thk

1шт.

28

9706755

NUT,M6, Cl 8

1шт.

29

9824326

WASHER,5.3mm ID x 10mm OD x 1mm Thk

1шт.

30

9706690

NUT,M8 x 1.25, Cl 8

4шт.

31

322358

BELLEVILLE WASHER,M8 Bolt Size x 18mm OD x 1.4mm Thk

3шт.

32

9839372

CLAMP,11.1mm, Coat, 10.3mm Bolt Hole, P Type

1шт.

33

43127

BOLT,Hex, M8 x 1.25 x 25mm, Cl 8.8

3шт.

34

80401310

PROFILE

L= 150 MM, Serial Range: -C813

1шт.

34

291186

PROTECTION STRIP,9.9mm W

L= 150 MM, Start Serial: D814

1шт.

35

381014

SCREW,Flng, M8 x 16mm

, Start Serial: D814

1шт.

36

84058832

CLIP

, Serial Range: -C867

1шт.

36

86590413

BASE,15.87mm W x 22.22mm OAL x 9.9mm Thk

, Start Serial: D868

1шт.

37

84320139

O-RING,2.2mm Thk x 11.3mm ID

1шт.

Выбрано товаров: 58