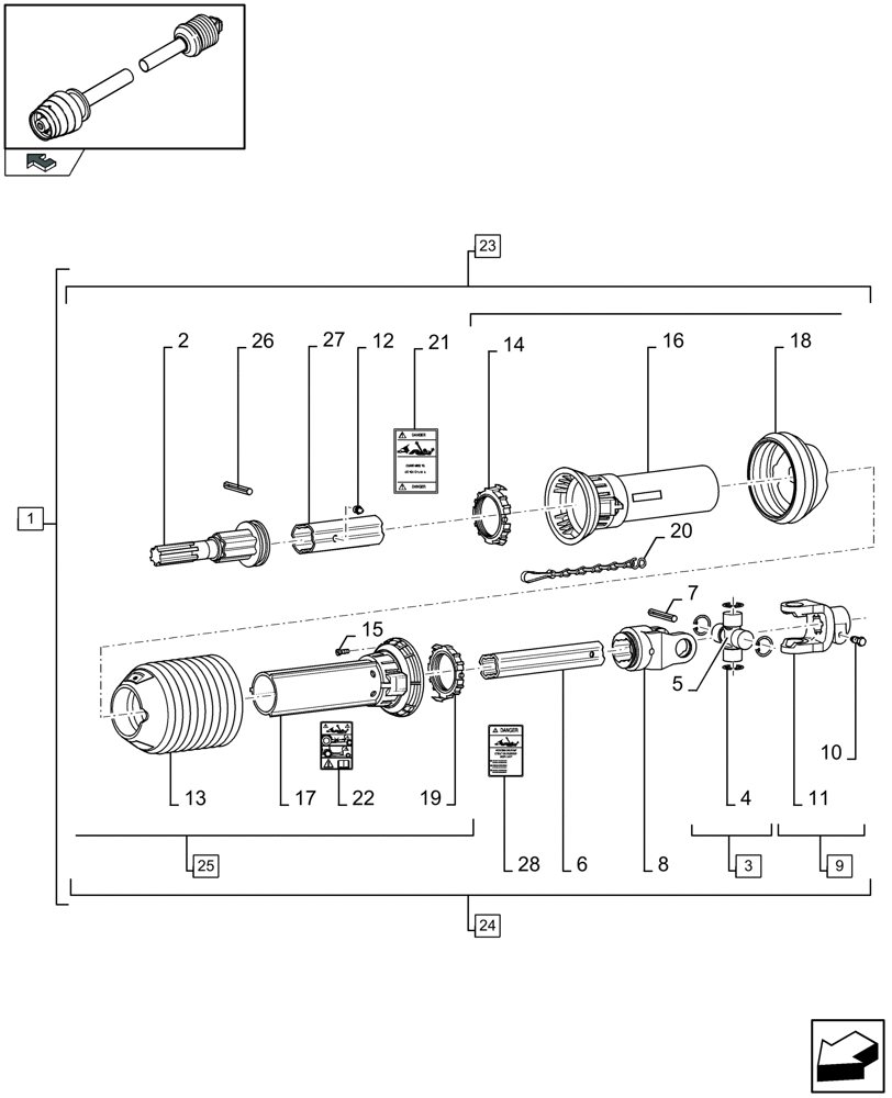
Запчасти Case IH LB333R (01.04[01]) - POWER TAKE-OFF, REAR (01) - POWER TAKE OFF

Схема запчастей Case IH LB333R - (01.04[01]) - POWER TAKE-OFF, REAR (01) - POWER TAKE OFF
15
6
19
2
7
3
27
13
8
25
16
18
11
28
9
4
23
10
26
home
20
5
12
22
21
14
17
24
1
FIT
1:1
100%

Артикул

Название

Примечание

Количество

1

84154067

PTO

(2 TO 28), Serial Range: -C947

1шт.

1

84483320

PTO

(2 TO 28), Start Serial: D948

1шт.

2

87716336

PIN

, Serial Range: -C895

1шт.

2

NSS

NOT SOLD SEPARAT

, Start Serial: D896

1шт.

3

87716337

SPIDER

1шт.

4

NSS

NOT SOLD SEPARAT

4шт.

5

NSS

NOT SOLD SEPARAT

1шт.

6

87716338

PTO SHAFT

, Serial Range: -C895

1шт.

6

NSS

NOT SOLD SEPARAT

, Start Serial: D896

1шт.

7

84976975

ROLL PIN

, Serial Range: -C895

1шт.

7

NSS

NOT SOLD SEPARAT

, Start Serial: D896

1шт.

8

87716339

YOKE

, Serial Range: -C895

1шт.

8

NSS

NOT SOLD SEPARAT

, Start Serial: D896

1шт.

9

87716340

YOKE

(10, 11)

1шт.

10

87587210

KIT

1шт.

11

NSS

NOT SOLD SEPARAT

1шт.

12

84036369

LUBE NIPPLE

, Serial Range: -C895

1шт.

12

NSS

NOT SOLD SEPARAT

, Start Serial: D896

1шт.

13

87716341

PROTECTION CAP

1шт.

14

87716342

SUPPORT

, Serial Range: -C895

1шт.

14

87517831

BEARING COVER,89.4 mm ID x 132 mm OD x 12 mm

, Start Serial: D896

1шт.

15

87587200

SELF-TAP SCREW

6шт.

16

87716343

PROTECTING COVER

, Serial Range: -C947

1шт.

16

84555362

SHIELD

, Start Serial: D948

1шт.

17

87716344

PROTECTING COVER

, Serial Range: -C947

1шт.

17

84555363

SHIELD

, Start Serial: D948

1шт.

18

87716345

SHIELD

1шт.

19

87716346

SUPPORT

, Serial Range: -C895

1шт.

19

86979196

BEARING,86mm ID x 132mm OD x 12mm H

, Start Serial: D896

1шт.

20

87716347

CHAIN,400mm L

2шт.

21

87716348

DANGER DECAL

1шт.

22

84078329

DECAL

1шт.

23

87716350

FRONT PTO ASSY

(2, 12, 14, 16, 18, 20, 21, 26, 27), Serial Range: -C895

1шт.

23

84517315

SHIELD

(2, 12, 14, 16, 18, 20, 21, 26, 27), Serial Range: -F896947

1шт.

23

84555364

SHIELD

(2, 12, 14, 16, 18, 20, 21, 26, 27), Start Serial: D948

1шт.

24

87716351

REAR PTO ASSY

(3 TO 11, 13, 17, 19, 22, 28), Serial Range: -C895

1шт.

24

84517316

SHIELD

(3 TO 11, 13, 17, 19, 22, 28), Serial Range: -F896947

1шт.

24

84555365

SHIELD

(3 TO 11, 13, 17, 19, 22, 28), Start Serial: D948

1шт.

25

87716352

KIT

(13 TO 20), Serial Range: -C895

1шт.

25

84517317

SHIELD

(13 TO 20), Serial Range: -F896947

1шт.

25

84555366

SHIELD

(14 TO 20), Start Serial: D948

1шт.

26

84157905

ROLL PIN

, Serial Range: -C895

1шт.

26

NSS

NOT SOLD SEPARAT

, Start Serial: D896

1шт.

27

84157906

TUBE

, Serial Range: -C895

1шт.

27

NSS

NOT SOLD SEPARAT

, Start Serial: D896

1шт.

28

84157907

DECAL

1шт.

Выбрано товаров: 46