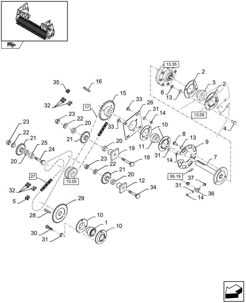
Запчасти Case IH LB333S (13.01[01]) - PICK-UP, MAIN TRANSMISSION, RH (13) - FEEDER

Схема запчастей Case IH LB333S - (13.01[01]) - PICK-UP, MAIN TRANSMISSION, RH (13) - FEEDER
21
13.35
33
22
10
1
22
20
31
13.05
4
7
10
20
5
16
6
27
11
25
23
21
26
14
28
2
10
18
13
37
31
33
24
29
3
12
34
13
19
32
2
20
22
14
30
06.19
17
23
home
14
21
31
15
20
8
35
32
31
36
23
9
13.05
FIT
1:1
100%

Артикул

Название

Примечание

Количество

1

89837842

BEARING ASSY

1шт.

MAINTENANCE PART

1шт.

2

86620027

FLANGED BEARING,80.02mm ID x 147.6mm OD x 4mm Thk

2шт.

3

552945

BEARING ASSY,40 mm ID x 80 mm OD x 30.2 mm

1шт.

MAINTENANCE PART

1шт.

4

120044

CARRIAGE BOLT,M12 x 1.75 x 30mm, Cl 8.8

4шт.

5

25817

OFFSET LINK

1шт.

MAINTENANCE PART

1шт.

6

9706685

NUT,M12 x 1.75, Cl 8

4шт.

7

84074766

SHAFT

1шт.

FOR LB323S, LB323P, LB333S, LB333P ONLY

1шт.

7

84074764

SHAFT

1шт.

FOR LB423S, LB433S ONLY

1шт.

8

9706687

BOLT,M12 x 1.75 x 30mm, Cl 8.8

3шт.

9

87681337

PLATE

1шт.

10

36403

BEARING HOUSING

4шт.

11

322360

BALL BEARING,35mm ID x 72mm OD x 19mm W

1шт.

MAINTENANCE PART

1шт.

12

9837968

SUPPORT

1шт.

13

140046

BELLEVILLE WASHER,M12 Bolt Size x 27mm OD x 1.8mm Thk

7шт.

14

100016

NUT,M10 x 1.5, Cl 8

8шт.

15

9837880

GEAR

1шт.

16

170026

KEY

1шт.

17

9837879

CHAIN,Roller, 68 Links x 19.05mm = 1295.4mm

(32)

1шт.

MAINTENANCE PART

1шт.

18

120049

CARRIAGE BOLT,Short Nk, M16 x 90mm, Cl 8.8

1шт.

19

9837878

SUPPORT

1шт.

20

378246

WASHER,17mm ID x 34mm OD x 3mm Thk

4шт.

21

87517107

DRIVEN SPROCKET

3шт.

MAINTENANCE PART

1шт.

22

140048

BELLEVILLE WASHER,M16 Bolt Size x 32mm OD x 2.8mm Thk

3шт.

23

100020

NUT,M16 x 2.0, Cl 8

3шт.

24

120046

CARRIAGE BOLT,M16 x 60mm, Cl 8.8

1шт.

25

9837964

BUSHING,17mm ID x 28mm OD x 13mm L

1шт.

26

9850764

PANEL

1шт.

27

9837966

CHAIN,Roller, 105 Links x 19.05mm = 2000.25mm

(5, 32)

1шт.

MAINTENANCE PART

1шт.

28

333228

KEY,10mm W x 8mm H x 40mm L

1шт.

29

84000091

DRIVEN SPROCKET

1шт.

30

43139

BOLT,M10 x 1.5 x 25mm, Cl 8.8

3шт.

31

140045

BELLEVILLE WASHER,M10 Bolt Size x 22mm OD x 1.6mm Thk

11шт.

32

165590

CONNECTING LINK

1шт.

MAINTENANCE PART

1шт.

33

338949

CARRIAGE BOLT,M10 x 1.5 x 25mm, Cl 8.8

7шт.

34

9837963

CARRIAGE BOLT,Sq Nk, M16 x 130mm, Cl 8.8

M16 x 130

1шт.

35

86595275

OFFSET LINK

1шт.

MAINTENANCE PART

1шт.

36

87730562

SUPPORT

1шт.

37

86633356

CARRIAGE BOLT,M10 x 34.8mm, Cl 8.8

1шт.

Выбрано товаров: 49