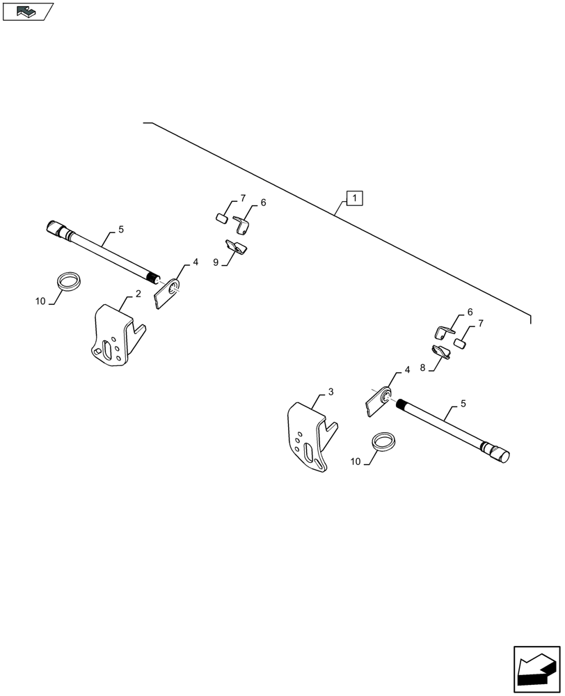
Запчасти Case IH LB334S (88.027.002[01]) - SERVICE KIT: BRAKE KIT TO AVOID CROP ACCUMULATION FOR PNEUMATIC BRAKES - C145 (88) - ACCESSORIES

Схема запчастей Case IH LB334S - (88.027.002[01]) - SERVICE KIT: BRAKE KIT TO AVOID CROP ACCUMULATION FOR PNEUMATIC BRAKES - C145 (88) - ACCESSORIES
4
8
10
home
7
9
4
2
3
7
6
5
6
1
10
5
FIT
1:1
100%

Артикул

Название

Примечание

Количество

1

47952110

KIT

Incl 2 - 10

1шт.

2

47935039

SUPPORT

1шт.

3

47935040

SUPPORT

1шт.

4

47923287

SUPPORT

2шт.

5

47923279

CAMSHAFT

2шт.

6

47935050

SUPPORT

2шт.

7

47935051

SUPPORT

2шт.

8

47935054

SUPPORT

1шт.

9

47935053

SUPPORT

1шт.

10

47952245

RING

2шт.

Выбрано товаров: 0