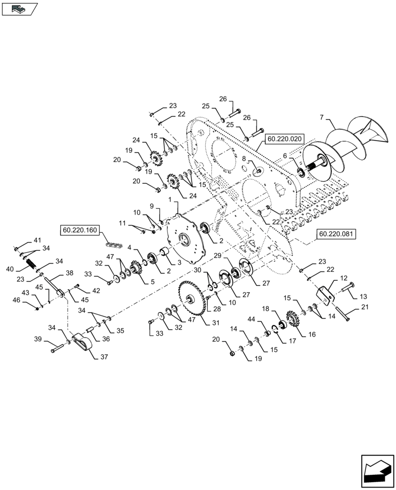
Запчасти Case IH LB424R XL (60.220.041) - PICK-UP, AUGER TRANSMISSION, RH - D085 (60) - PRODUCT FEEDING

Схема запчастей Case IH LB424R XL - (60.220.041) - PICK-UP, AUGER TRANSMISSION, RH - D085 (60) - PRODUCT FEEDING
18
32
35
34
15
1
27
20
17
37
24
15
60.220.020
12
15
15
4
34
6
19
23
30
25
42
32
45
16
38
10
44
60.220.081
11
20
20
40
7
2
14
36
34
8
26
34
43
33
45
10
23
60.220.160
21
46
home
47
47
13
22
3
33
25
27
39
22
19
14
9
19
31
24
41
26
29
28
23
23
22
2
5
FIT
1:1
100%

Артикул

Название

Примечание

Количество

1

84216317

CONE

1шт.

2

84438926

BALL BEARING,35mm ID x 72mm OD x 17mm W

2шт.

MAINTENANCE PART

1шт.

3

84216322

SLEEVE

1шт.

4

84429871

WASHER

1шт.

5

84566098

SPROCKET

1шт.

6

417723

SEAL

1шт.

7

84567030

AUGER

1шт.

7

47590377

AUGER

1шт.

FOR EXTENDED AUGER ONLY

1шт.

8

86633356

CARRIAGE BOLT,M10 x 34.8mm, Cl 8.8

5шт.

9

675162

WIRE CLAMP,6.3mm, Coat, 10.3mm Bolt Hole, P Type

2шт.

10

140045

BELLEVILLE WASHER,M10 Bolt Size x 22mm OD x 1.6mm Thk

9шт.

11

100016

NUT,M10 x 1.5, Cl 8

6шт.

12

84274376

SUPPORT

, Serial Range: -C136

1шт.

12

47637506

SUPPORT

, Start Serial: D137

1шт.

13

120049

CARRIAGE BOLT,Short Nk, M16 x 90mm, Cl 8.8

1шт.

14

84399198

SLEEVE,17mm ID x 32mm OD x 5mm L

3шт.

15

47407

WASHER,16.7mm ID x 33.3mm OD x 0.75mm Thk

8шт.

16

84568878

SPROCKET

, Serial Range: -C136

1шт.

16

47635046

SPROCKET

, Start Serial: D137

1шт.

17

370011

CIRCLIP,M52 x 2mm Thk, Internal

1шт.

18

443898

BALL BEARING,25mm ID x 52mm OD x 15mm W

, Serial Range: -C136

1шт.

18

47462369

BALL BEARING

, Start Serial: D137

1шт.

19

140048

BELLEVILLE WASHER,M16 Bolt Size x 32mm OD x 2.8mm Thk

3шт.

20

100020

NUT,M16 x 2.0, Cl 8

3шт.

21

1570477

BOLT,Hex, M12 x 1.75 x 110mm, Cl 8.8, Full Thd

1шт.

22

140046

BELLEVILLE WASHER,M12 Bolt Size x 27mm OD x 1.8mm Thk

3шт.

23

9706685

NUT,M12 x 1.75, Cl 8

4шт.

24

87517107

DRIVEN SPROCKET

2шт.

25

140020

WASHER,17.5mm ID x 30mm OD x 3mm Thk

2шт.

26

120093

BOLT,M16 x 2.0 x 90.18mm, Cl 8.8

2шт.

27

36403

BEARING HOUSING

2шт.

28

43138

BOLT,Hex, M10 x 1.5 x 20mm, Cl 8.8

3шт.

29

84210631

BEARING

1шт.

MAINTENANCE PART

1шт.

30

140119

WASHER,35.2mm ID x 42.5mm OD x 1.22mm Thk

2шт.

31

84567996

SPROCKET

1шт.

32

9801096

WASHER,13.5mm ID x 50.8mm OD x 4.76mm Thk

2шт.

33

300388

BOLT,Hex, M12 x 1.75 x 25mm, Cl 8.8

2шт.

34

378245

WASHER,13mm ID x 28.5mm OD x 2.7mm Thk

6шт.

35

84355794

SLEEVE,12.5mm ID x 19mm OD x 9mm L

1шт.

36

84355796

SLEEVE,12.5mm ID x 19mm OD x 49.5mm L

1шт.

37

87346700

ARM

1шт.

38

84355805

SUPPORT,M12

1шт.

39

86508581

BOLT,Hex, M12 x 90mm, Cl 8.8

1шт.

40

84355808

SPRING

1шт.

41

100038

NUT,M12 x 1.75, Cl 8

1шт.

42

43128

BOLT,M8 x 1.25 x 30mm, Cl 8.8

1шт.

43

322358

BELLEVILLE WASHER,M8 Bolt Size x 18mm OD x 1.4mm Thk

1шт.

44

84334697

BUSHING,17mm ID x 32mm OD x 18.8mm L

, Serial Range: -C136

1шт.

44

47637503

HUB

, Start Serial: D137

1шт.

45

86624184

WASHER,9mm ID x 16mm OD x 1.6mm Thk

2шт.

46

86629542

NUT,M8 x 1.25, Cl 8.8

1шт.

47

442293

WASHER,36mm ID x 50mm OD x 1.5mm Thk

4шт.

Выбрано товаров: 55