Запчасти Case IH LB424R XL (68.150.020) - TWINE TENSIONERS (68) - TYING/WRAPPING

Схема запчастей Case IH LB424R XL - (68.150.020) - TWINE TENSIONERS (68) - TYING/WRAPPING
12
13
55.418.040
4
18
9
16
7
21
4
3
5
5
5
5
17
68.160.010
8
11
15
20
2
19
4
4
6
14
5
6
7
5
1
10
home
3
FIT
1:1
100%

Артикул

Название

Примечание

Количество

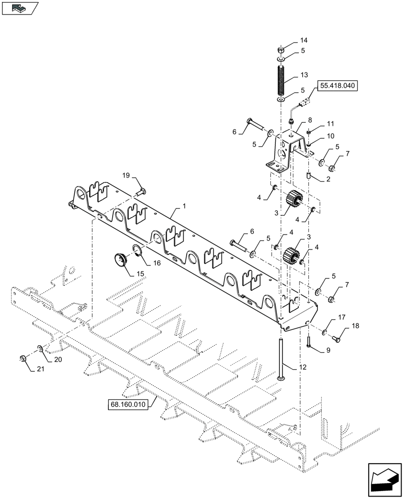
1

84274105

MOUNTING PLATE

1шт.

FOR LB424S, LB424R, LB434S, LB434R, LB424S XL, LB424R XL, LB434S XL, LB434R XL ONLY

1шт.

1

84300668

TENSIONER

1шт.

FOR LB324S, LB324P, LB324R, LB334S, LB334P, LB334R ONLY

1шт.

1

84300668

TENSIONER

1шт.

FOR LB324S XL, LB324P XL, LB324R XL, LB334S XL, LB334P XL, LB334R XL ONLY

1шт.

2

9838894

SPACER,6.83mm ID x 10.29mm OD x 19mm L

1шт.

3

87382295

GEAR

12шт.

FOR LB424S, LB424R, LB434S, LB434R, LB424S XL, LB424R XL, LB434S XL, LB434R XL ONLY

1шт.

MAINTENANCE PART

1шт.

3

87382295

GEAR

8шт.

FOR LB324S, LB324P, LB324R, LB334S, LB334P, LB334R ONLY

1шт.

MAINTENANCE PART

1шт.

3

87382295

GEAR

8шт.

FOR LB324S XL, LB324P XL, LB324R XL, LB334S XL, LB334P XL, LB334R XL ONLY

1шт.

MAINTENANCE PART

1шт.

4

87391155

SPACER,10.5mm ID x 16mm OD x 3mm L

1шт.

5

378244

WASHER,10.5mm ID x 24mm OD x 2mm Thk

1шт.

6

120070

BOLT,Hex, M10 x 1.5 x 60mm, Cl 8.8

1шт.

MAINTENANCE PART

1шт.

7

100016

NUT,M10 x 1.5, Cl 8

1шт.

MAINTENANCE PART

1шт.

8

87528185

BRACKET

6шт.

FOR LB424S, LB424R, LB434S, LB434R, LB424S XL, LB424R XL, LB434S XL, LB434R XL ONLY

1шт.

8

87528185

BRACKET

4шт.

FOR LB324S, LB324P, LB324R, LB334S, LB334P, LB334R ONLY

1шт.

8

87528185

BRACKET

4шт.

FOR LB324S XL, LB324P XL, LB324R XL, LB334S XL, LB334P XL, LB334R XL ONLY

1шт.

9

86977789

BOLT,Hex, M6 x 1.0 x 35mm, Cl 8.8

1шт.

10

86588450

WASHER,6.6mm ID x 12mm OD x 1.6mm Thk

, Serial Range: -C161

1шт.

10

140015

WASHER,6.4mm ID x 14mm OD x 1.6mm Thk

, Start Serial: D162

1шт.

11

353308

NUT,M6 x 1.0, Cl 8

1шт.

12

84018757

BOLT,M10 x 1.5 x 160mm, CL 4.6

1шт.

13

9838888

SPRING

1шт.

14

412141

NUT,M10 x 1.5, Cl 8

1шт.

15

87331610

GUIDE

, Serial Range: -C047

1шт.

MAINTENANCE PART

1шт.

15

84275921

GUIDE

, Start Serial: D048

1шт.

MAINTENANCE PART

1шт.

16

370004

SNAP RING,M35 x 1.5mm Thk, External

1шт.

17

322358

BELLEVILLE WASHER,M8 Bolt Size x 18mm OD x 1.4mm Thk

4шт.

18

120104

BOLT,Hex, M8 x 1.25 x 20mm, Cl 8.8

4шт.

19

86512446

CARRIAGE BOLT,M10 x 1.5 x 30mm, Cl 8.8

, Serial Range: -C144

3шт.

19

86633356

CARRIAGE BOLT,M10 x 34.8mm, Cl 8.8

, Start Serial: D145

3шт.

20

140045

BELLEVILLE WASHER,M10 Bolt Size x 22mm OD x 1.6mm Thk

3шт.

21

100016

NUT,M10 x 1.5, Cl 8

3шт.

Выбрано товаров: 46