Запчасти Case IH LB424R XL (27.500.105) - AXLE SPACER (27) - REAR AXLE SYSTEM

Схема запчастей Case IH LB424R XL - (27.500.105) - AXLE SPACER (27) - REAR AXLE SYSTEM
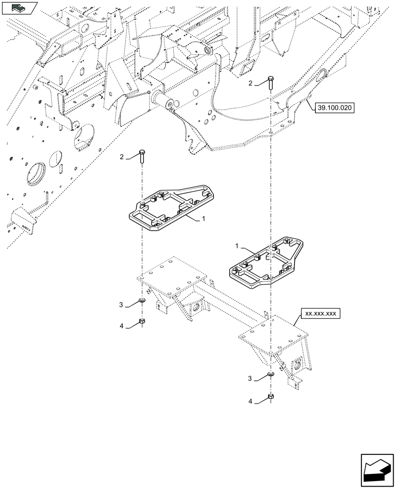
39.100.020
2
2
3
4
xx.xxx.xxx
4
3
1
1
FIT
1:1
100%

Артикул

Название

Примечание

Количество

1

48041204

PLATE

2шт.

FOR SPACER 25 MM ONLY

1шт.

FOR SINGLE AXLE ONLY

1шт.

1

48041204

PLATE

4шт.

FOR SPACER 50 MM ONLY

1шт.

FOR SINGLE AXLE ONLY

1шт.

1

48027535

PLATE

2шт.

FOR SPACER 25 MM ONLY

1шт.

FOR TANDEM AXLE ONLY

1шт.

1

48027535

PLATE

4шт.

FOR SPACER 50 MM ONLY

1шт.

FOR TANDEM AXLE ONLY

1шт.

2

382101

BOLT,Hex, M20 x 2.5 x 80mm, Cl 8.8

12шт.

FOR SPACER 25 MM ONLY

1шт.

2

395528

BOLT,Hex, M20 x 2.5 x 100mm, Cl 8.8

12шт.

FOR SPACER 50 MM ONLY

1шт.

2

86503156

BOLT,Hex, M20 x 2.5 x 55mm, Cl 8.8, Full Thd

12шт.

WITHOUT AXLE SPACER

1шт.

3

322359

BELLEVILLE WASHER,M20 Bolt Size x 40mm OD x 3.2mm Thk

12шт.

4

9706694

NUT,Hex, M20, Cl 8

12шт.

Выбрано товаров: 20