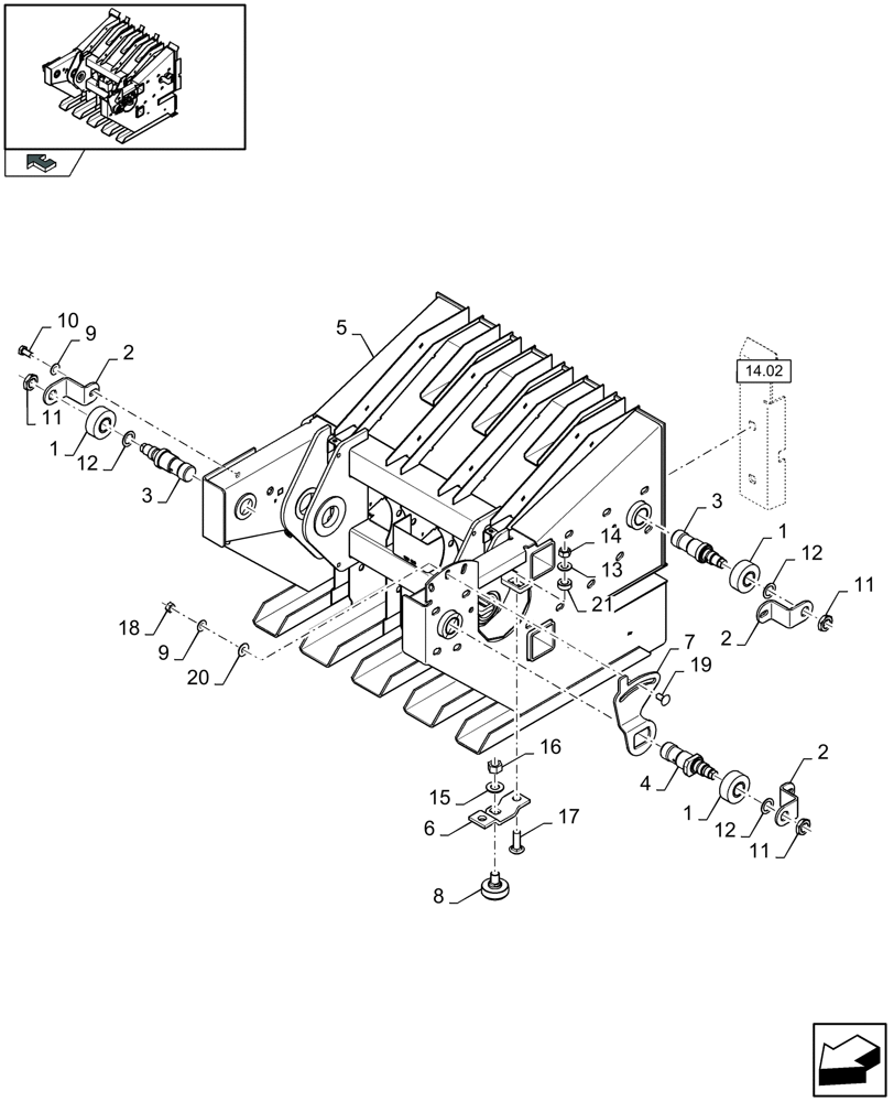
Запчасти Case IH LB433R (14.08[01]) - PLUNGER, REAR (14) - BALE CHAMBER

Схема запчастей Case IH LB433R - (14.08[01]) - PLUNGER, REAR (14) - BALE CHAMBER
home
19
11
3
9
2
5
6
8
12
15
14.02
11
2
1
3
2
1
21
12
7
16
13
12
1
17
10
9
20
4
14
11
18
FIT
1:1
100%

Артикул

Название

Примечание

Количество

1

84100796

ROLLER,72mm OD x 29mm L

4шт.

MAINTENANCE PART

1шт.

2

84441748

SUPPORT

4шт.

3

84814847

SHAFT

3шт.

MAINTENANCE PART

1шт.

4

84814846

SHAFT

1шт.

MAINTENANCE PART

1шт.

5

84800679

PLUNGER

1шт.

FOR LB323S, LB323P, LB323R ONLY

1шт.

5

84817022

PLUNGER

1шт.

FOR LB333S, LB333P, LB333R ONLY

1шт.

5

84442120

PLUNGER

1шт.

FOR LB423S, LB423R ONLY

1шт.

5

84817021

PLUNGER

1шт.

FOR LB433S, LB433R ONLY

1шт.

6

84441921

SUPPORT

2шт.

7

84441749

CAM

1шт.

8

861325

BEARING ASSY,0.75" ID x 2.5" OD x 2.25"

2шт.

MAINTENANCE PART

1шт.

9

140046

BELLEVILLE WASHER,M12 Bolt Size x 27mm OD x 1.8mm Thk

5шт.

10

300388

BOLT,Hex, M12 x 1.75 x 25mm, Cl 8.8

4шт.

11

100033

THIN NUT,Thin, M24 x 1.5, Cl 04

4шт.

12

9838305

WASHER,26mm ID x 38mm OD x 2.27mm Thk

4шт.

13

140048

BELLEVILLE WASHER,M16 Bolt Size x 32mm OD x 2.8mm Thk

4шт.

14

392530

NUT,M16, Cl 10

4шт.

15

322359

BELLEVILLE WASHER,M20 Bolt Size x 40mm OD x 3.2mm Thk

2шт.

16

1689

NUT,3/4"-16, G5

2шт.

17

412185

CARRIAGE BOLT,Short Sq Nk, M16 x 2 x 50mm, Cl 8.8, Full Thd

, Serial Range: -C823

4шт.

17

84441255

CARRIAGE BOLT,Sq Nk, M16 x 2 x 50mm, Cl 10.9

, Start Serial: D824

4шт.

18

9706685

NUT,M12 x 1.75, Cl 8

1шт.

19

374895

CARRIAGE BOLT,M12 x 1.75 x 25mm, Cl 8.8

1шт.

20

543043

WASHER,13mm ID x 35mm OD x 2.5mm Thk

1шт.

21

84064578

BUSHING,16.5mm ID x 32mm OD x 12.5mm L

4шт.

Выбрано товаров: 33