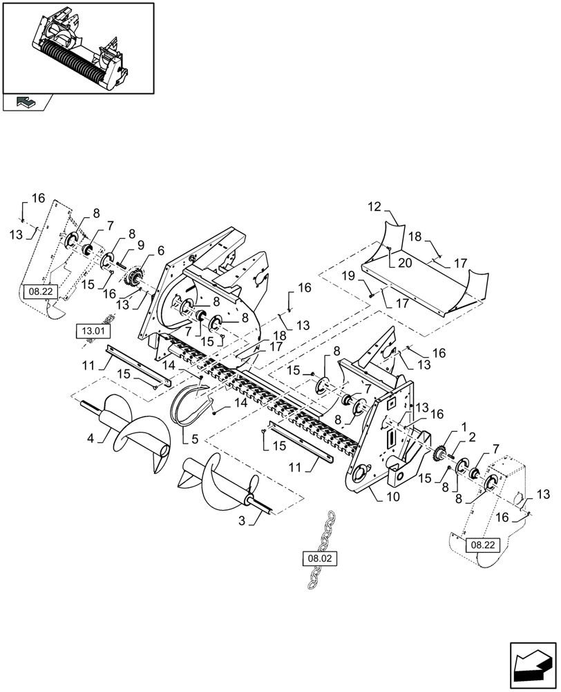
Запчасти Case IH LB433S (13.05[01]) - PICK-UP, FRAME (13) - FEEDER

Схема запчастей Case IH LB433S - (13.05[01]) - PICK-UP, FRAME (13) - FEEDER
7
13
8
13
16
5
8
12
08.02
15
8
10
15
2
15
11
16
16
15
08.22
9
17
13
13.01
15
08.22
8
18
16
14
16
7
11
13
13
8
8
17
7
home
6
14
16
1
4
3
18
20
15
8
13
7
17
19
8
FIT
1:1
100%

Артикул

Название

Примечание

Количество

1

9837884

DRIVEN SPROCKET

1шт.

2

333228

KEY,10mm W x 8mm H x 40mm L

1шт.

3

84607747

AUGER

1шт.

FOR LB323S, LB333S ONLY

1шт.

FOR LB323P, LB333P ONLY

1шт.

3

84607794

AUGER

1шт.

FOR LB423S, LB433S ONLY

1шт.

4

84607750

AUGER

1шт.

FOR LB323S, LB333S ONLY

1шт.

FOR LB323P, LB333P ONLY

1шт.

4

84607795

AUGER

1шт.

FOR LB423S, LB433S ONLY

1шт.

5

84801631

GUARD

, Serial Range: -C799

27шт.

FOR LB323S, LB333S ONLY

1шт.

MAINTENANCE PART

1шт.

FOR LB323P, LB333P ONLY

1шт.

5

84214800

GUARD

, Serial Range: -F800895

27шт.

FOR LB323S, LB333S ONLY

1шт.

MAINTENANCE PART

1шт.

FOR LB323P, LB333P ONLY

1шт.

5

84468627

GUARD

, Start Serial: D896

27шт.

FOR LB323S, LB333S ONLY

1шт.

MAINTENANCE PART

1шт.

FOR LB323P, LB333P ONLY

1шт.

5

84801631

GUARD

, Serial Range: -C799

31шт.

MAINTENANCE PART

1шт.

FOR LB423S, LB433S ONLY

1шт.

5

84214800

GUARD

, Serial Range: -F800895

31шт.

MAINTENANCE PART

1шт.

FOR LB423S, LB433S ONLY

1шт.

5

84468627

GUARD

, Start Serial: D896

31шт.

MAINTENANCE PART

1шт.

FOR LB423S, LB433S ONLY

1шт.

6

9837885

DRIVEN SPROCKET

1шт.

7

9837842

BEARING,35mm ID x 72mm OD x 19mm W

4шт.

MAINTENANCE PART

1шт.

8

36403

BEARING HOUSING

8шт.

9

9837838

KEY

1шт.

10

87676773

FRAME

, Serial Range: -C799

1шт.

FOR LB323S, LB333S ONLY

1шт.

FOR LB323P, LB333P ONLY

1шт.

10

84208839

FRAME

, Start Serial: D800

1шт.

FOR LB323S, LB333S ONLY

1шт.

FOR LB323P, LB333P ONLY

1шт.

10

87616545

FRAME

, Serial Range: -C799

1шт.

FOR LB423S, LB433S ONLY

1шт.

10

84199628

FRAME

, Start Serial: D800

1шт.

FOR LB423S, LB433S ONLY

1шт.

11

84607749

ANGLE

2шт.

FOR LB323S, LB333S ONLY

1шт.

FOR LB323P, LB333P ONLY

1шт.

11

84607748

SKID PLATE

2шт.

FOR LB423S, LB433S ONLY

1шт.

12

85005505

GUIDE

1шт.

FOR LB323S, LB333S ONLY

1шт.

12

84074993

GUIDE

1шт.

FOR LB323P, LB333P ONLY

1шт.

12

85005504

GUIDE

1шт.

FOR LB423S, LB433S ONLY

1шт.

13

140045

BELLEVILLE WASHER,M10 Bolt Size x 22mm OD x 1.6mm Thk

18шт.

14

86511478

BOLT,Hex Serr, M8 x 1.25 x 16mm

54шт.

FOR LB323S, LB333S ONLY

1шт.

FOR LB323P, LB333P ONLY

1шт.

14

86511478

BOLT,Hex Serr, M8 x 1.25 x 16mm

62шт.

FOR LB423S, LB433S ONLY

1шт.

15

120041

CARRIAGE BOLT,M10 x 20mm, Cl 8.8

18шт.

16

100016

NUT,M10 x 1.5, Cl 8

18шт.

17

322358

BELLEVILLE WASHER,M8 Bolt Size x 18mm OD x 1.4mm Thk

12шт.

18

9706690

NUT,M8 x 1.25, Cl 8

8шт.

19

43127

BOLT,Hex, M8 x 1.25 x 25mm, Cl 8.8

4шт.

20

308761

CARRIAGE BOLT,M8 x 1.25 x 25mm, Cl 8.8

4шт.

Выбрано товаров: 0