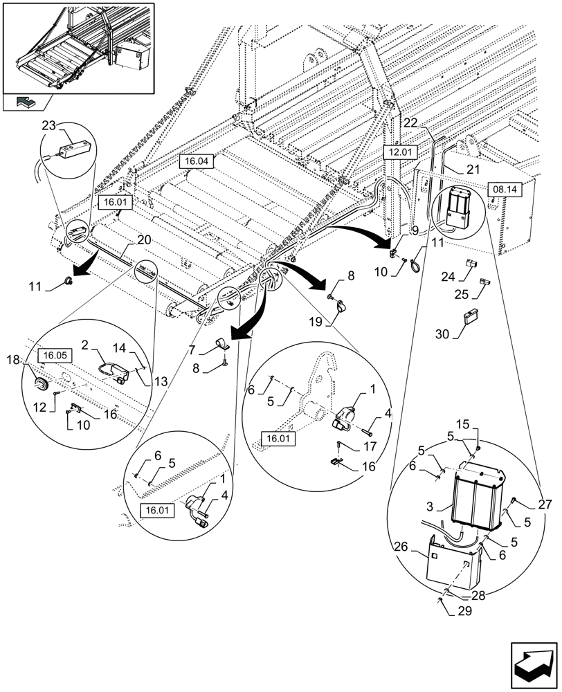
Запчасти Case IH LB433S (06.22[01]) - ELECTRICITY, BALE WEIGHING SYSTEM (06) - ELECTRICAL SYSTEMS

Схема запчастей Case IH LB433S - (06.22[01]) - ELECTRICITY, BALE WEIGHING SYSTEM (06) - ELECTRICAL SYSTEMS
16.01
2
10
16.04
22
6
12.01
8
home
5
9
21
1
10
20
11
4
5
23
17
08.14
4
16.05
5
24
5
13
6
11
16
25
29
8
19
6
3
12
15
26
6
30
1
16.01
14
5
18
7
16
28
5
16.01
27
FIT
1:1
100%

Артикул

Название

Примечание

Количество

1

87026294

SENSOR

2шт.

2

84159863

SENSOR

1шт.

3

84134704

CONTROLLER

1шт.

4

86977789

BOLT,Hex, M6 x 1.0 x 35mm, Cl 8.8

4шт.

5

322357

BELLEVILLE WASHER,M6 Bolt Size x 14mm OD x 1.3mm Thk

12шт.

6

9706755

NUT,M6, Cl 8

8шт.

7

9837692

CLAMP,16.67mm ID, 13.46mm Bolt Hole, P Type

2шт.

8

9512290

RIVET,Pop, 4.8mm OD x 17.8mm L

5шт.

9

86590413

BASE,15.87mm W x 22.22mm OAL x 9.9mm Thk

11шт.

10

445394

RIVET,Pop, 3/16" x 1/2" OAL

11шт.

11

86566989

CABLE TIE,208mm L

CABLE STRAP

31шт.

12

86511824

SCREW,Phillips Drive, Pan HD, M4 x 0.7 x 20mm, Cl 4.8

2шт.

13

322355

BELLEVILLE WASHER,M4 Bolt Size x 10mm OD x 0.9mm Thk

2шт.

14

100012

NUT,M4 x 0.7, Cl 8

2шт.

15

86508568

BOLT,Hex, M6 x 1 x 16mm, Cl 8.8

2шт.

16

84058832

CLIP

3шт.

17

445395

RIVET,Pop, 4.8mm OD x 18.1mm L

3шт.

18

173011

GROMMET,1” ID x 1.750” OD x .500” Tk

1шт.

19

9827902

CLAMP,25.4mm, Coat, 10.3mm Bolt Hole, P Type

4шт.

20

84184501

WIRE HARNESS

1шт.

FOR LB423S, LB423R, LB433S, LB433R ONLY

1шт.

SEE FIGURE 06.511

1шт.

20

84184503

WIRE HARNESS

1шт.

FOR LB323S, LB323P, LB323R, LB333S, LB333P, LB333R ONLY

1шт.

21

84185072

WIRE HARNESS

1шт.

SEE FIGURE 06.512

1шт.

22

84460028

WIRE HARNESS

1шт.

23

84164654

SENSOR

2шт.

24

84247024

WIRE CONNECTOR

1шт.

25

87380352

ELEC CONNECTOR

1шт.

26

84264530

PLATE

, Start Serial: D824

1шт.

27

86508568

BOLT,Hex, M6 x 1 x 16mm, Cl 8.8

, Serial Range: -C823

2шт.

27

300506

BOLT,Hex, M6 x 1 x 25mm, Cl 8.8, Full Thd

, Start Serial: D824

2шт.

28

322357

BELLEVILLE WASHER,M6 Bolt Size x 14mm OD x 1.3mm Thk

, Start Serial: D824

2шт.

29

9706755

NUT,M6, Cl 8

, Start Serial: D824

2шт.

30

84320044

FUSE,5 Amp

, Start Serial: D840

1шт.

Выбрано товаров: 36