Запчасти Case IH LB434R XL (60.220.061) - PICK-UP, AUGER TRANSMISSION, LH - D085 (60) - PRODUCT FEEDING

Схема запчастей Case IH LB434R XL - (60.220.061) - PICK-UP, AUGER TRANSMISSION, LH - D085 (60) - PRODUCT FEEDING
13
28
60.220.020
18
9
18
25
60.220.081
15
2
4
20
home
10
19
8
12
1
17
6
16
17
11
24
22
23
12
21
7
11
3
10
14
29
2
26
6
5
27
FIT
1:1
100%

Артикул

Название

Примечание

Количество

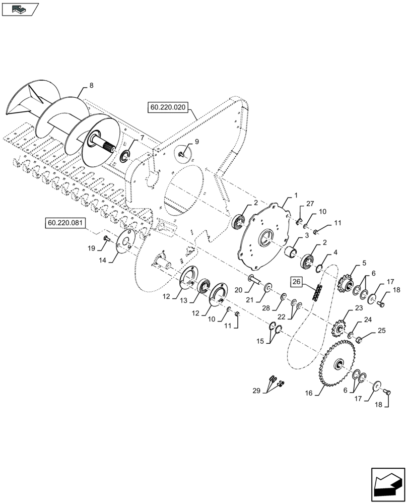
1

84216315

CONE

1шт.

2

84438926

BALL BEARING,35mm ID x 72mm OD x 17mm W

2шт.

MAINTENANCE PART

1шт.

3

84216322

SLEEVE

1шт.

4

84429871

WASHER

1шт.

5

84566098

SPROCKET

1шт.

6

442293

WASHER,36mm ID x 50mm OD x 1.5mm Thk

4шт.

7

417723

SEAL

1шт.

8

84567021

AUGER

1шт.

8

47579172

AUGER

1шт.

FOR EXTENDED AUGER ONLY

1шт.

9

86633356

CARRIAGE BOLT,M10 x 34.8mm, Cl 8.8

6шт.

10

140045

BELLEVILLE WASHER,M10 Bolt Size x 22mm OD x 1.6mm Thk

9шт.

11

100016

NUT,M10 x 1.5, Cl 8

9шт.

12

36403

BEARING HOUSING

2шт.

13

84210631

BEARING

1шт.

MAINTENANCE PART

1шт.

14

84301460

DISC

1шт.

15

140119

WASHER,35.2mm ID x 42.5mm OD x 1.22mm Thk

2шт.

16

84566983

SPROCKET

1шт.

17

9801096

WASHER,13.5mm ID x 50.8mm OD x 4.76mm Thk

2шт.

18

300388

BOLT,Hex, M12 x 1.75 x 25mm, Cl 8.8

2шт.

19

86512446

CARRIAGE BOLT,M10 x 1.5 x 30mm, Cl 8.8

3шт.

20

120046

CARRIAGE BOLT,M16 x 60mm, Cl 8.8

1шт.

21

86592702

WASHER,17mm ID x 45mm OD x 6mm Thk

1шт.

22

47407

WASHER,16.7mm ID x 33.3mm OD x 0.75mm Thk

2шт.

23

84024221

DRIVEN SPROCKET

1шт.

24

140048

BELLEVILLE WASHER,M16 Bolt Size x 32mm OD x 2.8mm Thk

1шт.

25

100020

NUT,M16 x 2.0, Cl 8

1шт.

26

84220227

CHAIN

Incl 29, Serial Range: -C098

1шт.

MAINTENANCE PART

1шт.

26

47663300

CHAIN

Incl 29, Start Serial: D099

1шт.

MAINTENANCE PART

1шт.

27

675162

WIRE CLAMP,6.3mm, Coat, 10.3mm Bolt Hole, P Type

2шт.

28

86639311

WASHER,17.5mm ID x 34mm OD x 3mm Thk

1шт.

29

165590

CONNECTING LINK

1шт.

MAINTENANCE PART

1шт.

Выбрано товаров: 37