Запчасти Case IH LB434S (44.901.020) - PICK-UP CASTER, RH - D137 (44) - WHEELS

Схема запчастей Case IH LB434S - (44.901.020) - PICK-UP CASTER, RH - D137 (44) - WHEELS
60.220.020
1
10
20
18
17
21
15
6
2
3
11
3
13
home
9
4
19
12
7
2
8
5
14
16
60.220.011
FIT
1:1
100%

Артикул

Название

Примечание

Количество

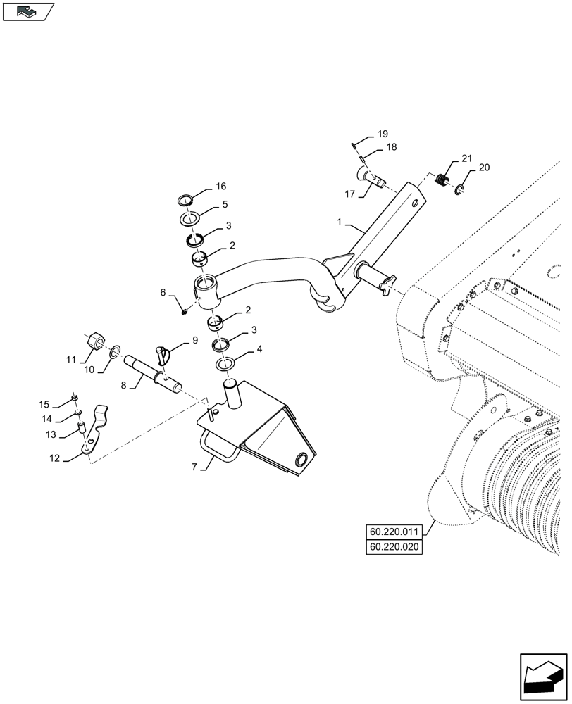
1

47671400

SWING CARRIAGE

1шт.

2

9615969

SLEEVE,35mm ID x 39mm OD x 20mm L

2шт.

3

84041902

SEALING ELEMENT

2шт.

4

47529253

WASHER,35.5mm ID x 53mm OD x 2mm Thk

, Serial Range: -C146

1шт.

4

58630

WASHER,.0299" Thk

, Start Serial: D147

1шт.

5

47529253

WASHER,35.5mm ID x 53mm OD x 2mm Thk

1шт.

6

62161

LUBE NIPPLE,M8 x 1.25, Str

1шт.

7

47671284

SWING CARRIAGE

1шт.

8

47691011

SHAFT

1шт.

9

9838996

COTTER PIN

1шт.

10

140103

WASHER,26mm ID x 38mm OD x 1mm Thk

1шт.

11

9837788

NUT,M24 x 3, Cl 8.8

1шт.

12

47671421

LOCK

, Serial Range: -C167

1шт.

12

48041417

, Start Serial: D168

LOCK

1шт.

13

29524

SPRING

1шт.

14

83931520

WASHER,8.4mm ID x 17mm OD x 2mm Thk

1шт.

15

86629542

NUT,M8 x 1.25, Cl 8.8

1шт.

16

370004

SNAP RING,M35 x 1.5mm Thk, External

1шт.

17

84382672

ADJUSTER

1шт.

18

393871

LOCK PIN,5mm OD x 30mm L, Slotted

1шт.

19

84818466

ROLL PIN,3mm OD x 26mm L, Slotted

1шт.

20

227893

CASE

1шт.

21

84383225

COMPRESSION SPRING

1шт.

Выбрано товаров: 23