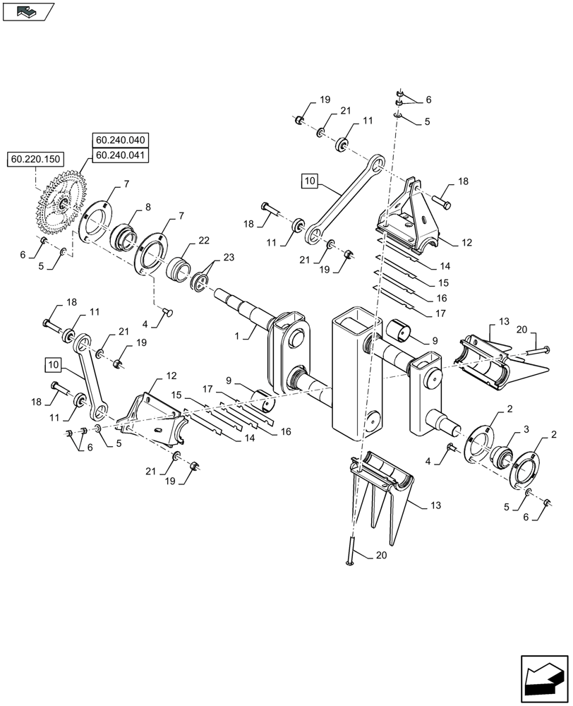
Запчасти Case IH LB434S (60.240.010) - PACKER (60) - PRODUCT FEEDING

Схема запчастей Case IH LB434S - (60.240.010) - PACKER (60) - PRODUCT FEEDING
60.220.150
15
6
12
7
4
19
3
18
10
13
16
5
21
12
11
11
19
6
6
4
6
19
2
21
11
11
14
21
17
9
19
17
15
1
18
8
5
16
20
18
13
5
10
20
18
7
home
14
5
9
23
21
22
2
60.240.041
60.240.040
FIT
1:1
100%

Артикул

Название

Примечание

Количество

1

84800484

CRANKSHAFT

, Serial Range: -C150

1шт.

FOR LB324S, LB334S, LB324S XL, LB334S XL ONLY

1шт.

1

47624040

CRANKSHAFT

, Start Serial: D151

1шт.

FOR LB324S, LB334S, LB324S XL, LB334S XL ONLY

1шт.

1

84800483

CRANKSHAFT

, Serial Range: -C150

1шт.

FOR LB424S, LB434S, LB424S XL, LB434S XL ONLY

1шт.

1

47624035

CRANKSHAFT

, Start Serial: D151

1шт.

FOR LB424S, LB434S, LB424S XL, LB434S XL ONLY

1шт.

2

9839342

SET

2шт.

3

385424

BALL BEARING,45 mm ID x 85 mm OD x 56.3 mm

1шт.

MAINTENANCE PART

1шт.

4

120044

CARRIAGE BOLT,M12 x 1.75 x 30mm, Cl 8.8

8шт.

5

140046

BELLEVILLE WASHER,M12 Bolt Size x 27mm OD x 1.8mm Thk

20шт.

6

9706685

NUT,M12 x 1.75, Cl 8

32шт.

7

853175

FLANGE

2шт.

8

722003

BALL BEARING,55mm ID x 100mm OD x 25mm W

1шт.

MAINTENANCE PART

1шт.

9

84801730

HALF-BUSHING

6шт.

MAINTENANCE PART

1шт.

10

9839314

LINK CONROD

Incl 11, Serial Range: -C140

3шт.

10

47845908

CONNECTING ROD

Incl 11, Start Serial: D141

3шт.

11

9839315

BALL BEARING,16mm ID x 49.21mm OD x 20.65mm W

, Serial Range: -C140

2шт.

MAINTENANCE PART

1шт.

11

47654682

BALL BEARING

, Start Serial: D141

2шт.

MAINTENANCE PART

1шт.

12

84801718

FORK

3шт.

13

84801713

FORK

3шт.

14

9850689

SHIM

3шт.

MAINTENANCE PART

1шт.

15

9839323

SHIM

6шт.

MAINTENANCE PART

1шт.

16

9839322

SHIM

6шт.

MAINTENANCE PART

1шт.

17

84801731

SHIM

3шт.

MAINTENANCE PART

1шт.

18

355259

BOLT,Hex, M16 x 65, 8.8

, Serial Range: -C150

6шт.

18

120093

BOLT,M16 x 2.0 x 90.18mm, Cl 8.8

, Start Serial: D151

6шт.

19

412066

NUT,M16 x 2.0, Cl 8

6шт.

20

354298

CARRIAGE BOLT,Sht Sq Nk, M12 x 1.75 x 110mm, Cl 8.8, Full Thd

12шт.

21

394631

WASHER,17mm ID x 34mm OD x 4mm Thk

, Start Serial: D151

6шт.

22

47911884

SPACER

, Start Serial: D151

1шт.

23

84024519

SHIM,55mm ID x 68mm OD x 1mm Thk

, Start Serial: D151

2шт.

Выбрано товаров: 42