Запчасти Case IH LB434S (68.150.030) - TUCKER ARM (68) - TYING/WRAPPING

Схема запчастей Case IH LB434S - (68.150.030) - TUCKER ARM (68) - TYING/WRAPPING
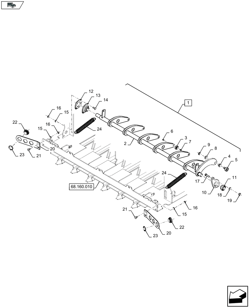
12
4
13
9
14
68.160.010
5
21
15
24
16
home
23
20
22
23
16
7
22
24
21
3
17
8
11
15
1
18
15
10
16
2
19
20
6
FIT
1:1
100%

Артикул

Название

Примечание

Количество

1

84244235

TWINE

Incl 2 - 9

1шт.

FOR LB424S, LB424R, LB434S, LB434R, LB424S XL, LB424R XL, LB434S XL, LB434R XL ONLY

1шт.

1

84244248

TWINE

Incl 2 - 9

1шт.

FOR LB324S, LB324P, LB324R, LB334S, LB334P, LB334R ONLY

1шт.

1

84244248

TWINE

Incl 2 - 9

1шт.

FOR LB324S XL, LB324P XL, LB324R XL, LB334S XL, LB334P XL, LB334R XL ONLY

1шт.

2

84244236

SHAFT

1шт.

FOR LB424S, LB424R, LB434S, LB434R, LB424S XL, LB424R XL, LB434S XL, LB434R XL ONLY

1шт.

2

84244249

SHAFT

1шт.

FOR LB324S, LB324P, LB324R, LB334S, LB334P, LB334R ONLY

1шт.

2

84244249

SHAFT

1шт.

FOR LB324S XL, LB324P XL, LB324R XL, LB334S XL, LB334P XL, LB334R XL ONLY

1шт.

3

87521132

ROPE GUIDE ROLLER,31.5mm OD x 12mm L

1шт.

MAINTENANCE PART

1шт.

4

84014757

BUSHING,12mm ID x 25mm OD x 14mm L

1шт.

5

9838366

ROLLER,32mm OD x 40mm L

1шт.

MAINTENANCE PART

1шт.

6

84607927

SCREW,#10 - 32 x 0.55",

, Serial Range: -C047

1шт.

MAINTENANCE PART

1шт.

6

84597445

SCREW,FLAT, M5 x 14mm

, Start Serial: D048

1шт.

MAINTENANCE PART

1шт.

7

9838237

HEX SOC SCREW,CSS, #10 - 32 x 1/2"

, Serial Range: -C047

1шт.

MAINTENANCE PART

1шт.

7

84597481

SCREW,CSS, M5 x 12.9mm

, Start Serial: D048

1шт.

MAINTENANCE PART

1шт.

8

140046

BELLEVILLE WASHER,M12 Bolt Size x 27mm OD x 1.8mm Thk

1шт.

9

399555

THIN NUT,Thin, M12 x 1.5, Cl 04

1шт.

10

87666776

HOUSING

1шт.

11

84817518

BALL BEARING,25mm ID x 47mm OD x 12mm W

1шт.

MAINTENANCE PART

1шт.

12

87665393

PLATE

1шт.

13

9837806

FLANGED BEARING,25mm ID

1шт.

MAINTENANCE PART

1шт.

14

120038

CARRIAGE BOLT,Rnd Head, M8 x 1.25 x 30mm, Cl 8.8, Full Thd

2шт.

15

322358

BELLEVILLE WASHER,M8 Bolt Size x 18mm OD x 1.4mm Thk

6шт.

16

9706690

NUT,M8 x 1.25, Cl 8

6шт.

17

120068

BOLT,Hex, M10 x 40mm, Cl 8.8

2шт.

18

140045

BELLEVILLE WASHER,M10 Bolt Size x 22mm OD x 1.6mm Thk

2шт.

19

100016

NUT,M10 x 1.5, Cl 8

2шт.

20

84819382

SUPPORT

2шт.

21

86507486

CARRIAGE BOLT,M8 x 1.25 x 20mm, Cl 8.8

4шт.

22

87331610

GUIDE

, Serial Range: -C047

6шт.

FOR LB424S, LB424R, LB434S, LB434R, LB424S XL, LB424R XL, LB434S XL, LB434R XL ONLY

1шт.

22

84275921

GUIDE

, Start Serial: D048

6шт.

FOR LB424S, LB424R, LB434S, LB434R, LB424S XL, LB424R XL, LB434S XL, LB434R XL ONLY

1шт.

22

87331610

GUIDE

, Serial Range: -C047

4шт.

FOR LB324S, LB324P, LB324R, LB334S, LB334P, LB334R ONLY

1шт.

22

84275921

GUIDE

, Start Serial: D048

4шт.

FOR LB324S, LB324P, LB324R, LB334S, LB334P, LB334R ONLY

1шт.

22

84275921

GUIDE

4шт.

FOR LB324S XL, LB324P XL, LB324R XL, LB334S XL, LB334P XL, LB334R XL ONLY

1шт.

23

370004

SNAP RING,M35 x 1.5mm Thk, External

6шт.

FOR LB424S, LB424R, LB434S, LB434R, LB424S XL, LB424R XL, LB434S XL, LB434R XL ONLY

1шт.

23

370004

SNAP RING,M35 x 1.5mm Thk, External

4шт.

FOR LB324S, LB324P, LB324R, LB334S, LB334P, LB334R ONLY

1шт.

23

370004

SNAP RING,M35 x 1.5mm Thk, External

4шт.

FOR LB324S XL, LB324P XL, LB324R XL, LB334S XL, LB334P XL, LB334R XL ONLY

1шт.

24

9838862

SPRING

2шт.

Выбрано товаров: 58