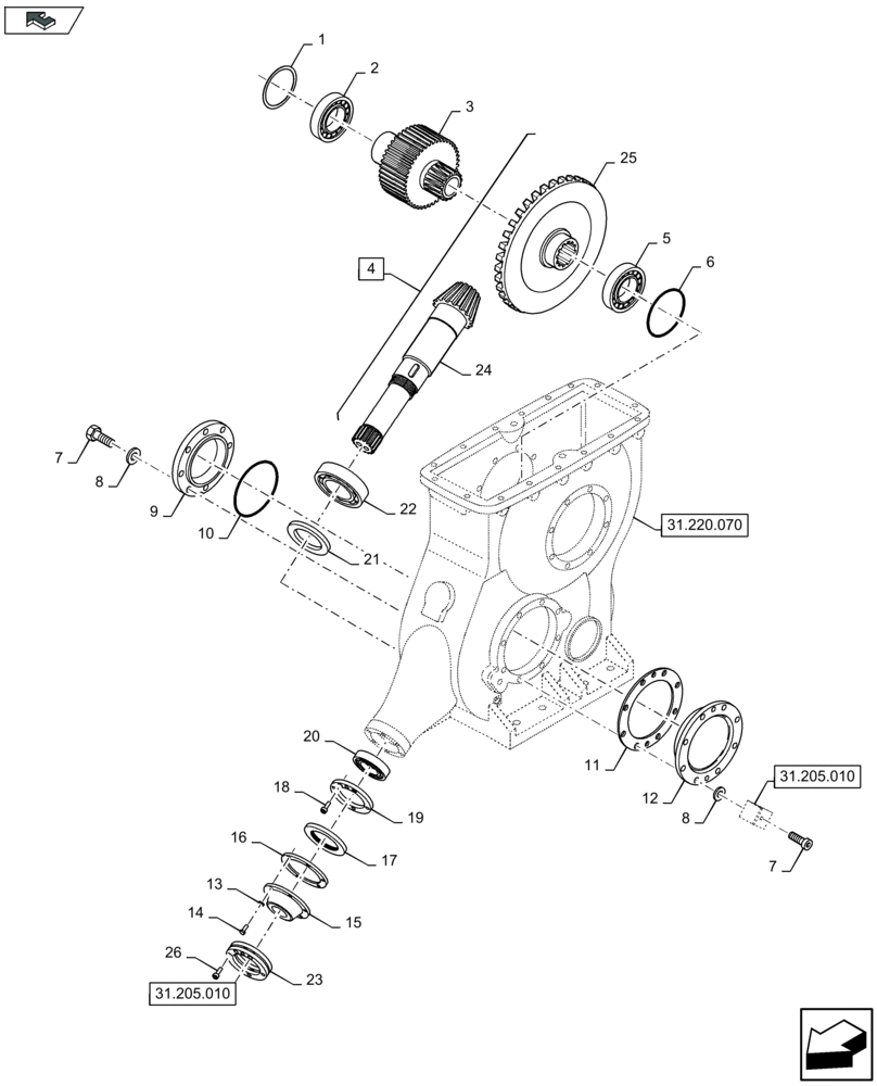
Запчасти Case IH LB434S (31.220.080) - MAIN GEARBOX, SHAFT TO FLYWHEEL (31) - IMPLEMENT POWER TAKE OFF

Схема запчастей Case IH LB434S - (31.220.080) - MAIN GEARBOX, SHAFT TO FLYWHEEL (31) - IMPLEMENT POWER TAKE OFF
23
7
22
15
12
17
16
31.220.070
24
3
6
7
31.205.010
10
5
20
8
home
11
9
13
8
21
1
31.205.010
26
19
25
14
2
18
4
FIT
1:1
100%

Артикул

Название

Примечание

Количество

1

84346533

SHIM

1шт.

2

47361014

ROLLER BEARING,130mm ID x 200mm OD x 45mm W

, Serial Range: -C144

1шт.

2

47706751

SPHERICAL BEARING

, Start Serial: D145

1шт.

3

84346516

GEAR

, Serial Range: -C144

1шт.

3

47706730

GEAR

, Start Serial: D145

1шт.

4

84346540

GEAR

Incl 24, 25, Serial Range: -C144

1шт.

4

47706758

GEAR

Incl 24, 25, Start Serial: D145

1шт.

5

47361013

ROLLER BEARING,120mm ID x 180mm OD x 38mm W

, Serial Range: -C144

1шт.

5

47706751

SPHERICAL BEARING

, Start Serial: D145

1шт.

6

84074480

O-RING

, Serial Range: -C144

1шт.

6

84346539

O-RING,3.53mm Thk x 209.1mm ID

, Start Serial: D145

1шт.

7

84346527

SCREW,M12 x 45mm, Cl 12.9

, Serial Range: -C144

20шт.

7

87022684

BOLT,Hex, M12 x 45mm, Cl 10.9

, Start Serial: D145

20шт.

8

84074465

WASHER

, Serial Range: -C144

20шт.

8

412123

LOCK WASHER,13.1mm ID x 21.1mm OD x 2.55mm Thk

, Start Serial: D145

20шт.

9

47360999

COVER

, Serial Range: -C144

1шт.

9

47706739

COVER

, Start Serial: D145

1шт.

10

84346539

O-RING,3.53mm Thk x 209.1mm ID

1шт.

11

84346531

SHIM

, Serial Range: -C144

1шт.

11

84346533

SHIM

, Start Serial: D145

1шт.

12

47361003

COVER

, Serial Range: -C144

1шт.

12

47706739

COVER

, Start Serial: D145

1шт.

13

80681

LOCK WASHER,5/16"

6шт.

14

43127

BOLT,Hex, M8 x 1.25 x 25mm, Cl 8.8

6шт.

15

84074442

COVER

1шт.

16

84074453

GASKET,0.2mm Thk

1шт.

17

536079

OIL SEAL

1шт.

18

86566099

HEX SOC SCREW,M8 x 16mm, Cl 12.9

2шт.

19

84074464

RING NUT

1шт.

20

26800020

TAPERED BEARING,70mm ID x 125mm OD x 26.25mm W

1шт.

21

84074469

SHIM KIT

1шт.

22

9839403

TAPERED BEARING,75mm ID x 160mm OD x 58mm W

1шт.

23

47361011

RING NUT

, Serial Range: -C120

1шт.

23

47706673

RING

, Start Serial: D121

1шт.

24

NSS

NOT SOLD SEPARAT

Gear Incl in 4

1шт.

25

NSS

NOT SOLD SEPARAT

Shaft Incl in 4

1шт.

26

86566099

HEX SOC SCREW,M8 x 16mm, Cl 12.9

, Serial Range: -C120

2шт.

26

47609984

BOLT,Hex, M8 x 30mm, Cl 12.9

, Start Serial: D121

2шт.

Выбрано товаров: 38