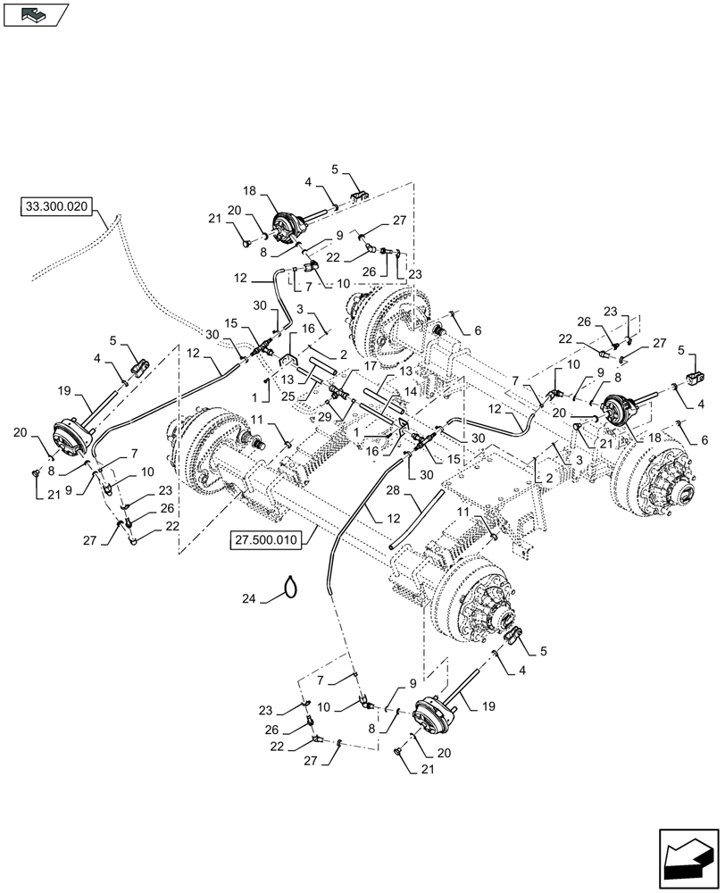
Запчасти Case IH LB434S (33.300.010) - PNEUMATIC BRAKES - TANDEM AXLE (33) - BRAKES & CONTROLS

Схема запчастей Case IH LB434S - (33.300.010) - PNEUMATIC BRAKES - TANDEM AXLE (33) - BRAKES & CONTROLS
27.500.010
1
30
9
3
12
12
21
16
25
14
23
1
7
5
19
8
26
10
6
29
13
23
30
16
15
27
27
23
30
26
23
8
6
9
27
19
8
26
22
18
20
7
24
15
9
27
5
22
5
13
10
21
8
30
28
10
4
9
20
7
4
5
26
22
20
7
12
11
2
home
17
10
20
11
4
2
21
4
21
22
18
12
3
33.300.020
FIT
1:1
100%

Артикул

Название

Примечание

Количество

1

120100

BOLT,M6 x 20mm, Cl 8.8

2шт.

1

120100

BOLT,M6 x 20mm, Cl 8.8

, Serial Range: -C146

2шт.

FOR LARGE TANDEM AXLE ONLY

1шт.

1

9706703

CARRIAGE BOLT,Sht Sq Nk, M6 x 1 x 20mm, Cl 8.8, Full Thd

, Start Serial: D147

2шт.

FOR LARGE TANDEM AXLE ONLY

1шт.

2

322357

BELLEVILLE WASHER,M6 Bolt Size x 14mm OD x 1.3mm Thk

2шт.

3

9706755

NUT,M6, Cl 8

2шт.

4

364164

THIN NUT,Thin, M16 x 1.5, Cl 04

4шт.

5

84014245

YOKE

4шт.

6

330327

NUT,M12 x 1.5, Cl 8

4шт.

FOR LB324R LB334R LB424S LB424R LB434S LB434R ONLY

1шт.

FOR LB324S LB324P LB334S LB334R ONLY

1шт.

6

331192

NUT,M16 x 1.5, Cl 8

, Serial Range: -C146

4шт.

FOR LB324R LB334R LB424S LB424R LB434S LB434R ONLY

1шт.

FOR LARGE TANDEM AXLE ONLY

1шт.

6

330327

NUT,M12 x 1.5, Cl 8

, Start Serial: D147

4шт.

FOR LB324S LB324P LB334S LB334R ONLY

1шт.

FOR LARGE TANDEM AXLE ONLY

1шт.

7

9512527

FERRULE

,, Serial Range: -C015

4шт.

8

9512532

O-RING

4шт.

9

9512533

WASHER, THRUST,16.1mm ID x 22mm OD x 2.6mm Thk

4шт.

10

84007190

ELBOW,M16 x 1.5 Male

,, Serial Range: -C015

4шт.

11

331192

NUT,M16 x 1.5, Cl 8

4шт.

12

84014198

HOSE,18mm OD x 3.5mm Thk

L = 4.72 M

1шт.

13

9507812

CONDUIT

L = 0.85 M

1шт.

14

9512535

HOSE

L = 0.85 M

1шт.

15

84100076

3 WAY CONNECTION

2шт.

16

84100226

BRACKET

2шт.

17

84014954

3 WAY CONNECTION

,, Serial Range: -C015

1шт.

17

84100075

3 WAY CONNECTION

,, Start Serial: D016

1шт.

18

84078896

CYLINDER

2шт.

FOR LB324R LB334R LB424S LB424R LB434S LB434R ONLY

1шт.

FOR LB324S LB324P LB334S LB334R ONLY

1шт.

18

84320807

CYLINDER

2шт.

FOR LB324R LB334R LB424S LB424R LB434S LB434R ONLY

1шт.

FOR LARGE TANDEM AXLE ONLY

1шт.

19

84014962

CYLINDER

,, Serial Range: -C015

2шт.

19

84014961

CYLINDER

,, Start Serial: D016

2шт.

19

84320807

CYLINDER

, Start Serial: D088

2шт.

FOR FRANCE ONLY

1шт.

20

84014312

RING

4шт.

21

84014311

PLUG

4шт.

22

84100254

HYD CONNECTOR

4шт.

23

150064

CLAMP

4шт.

24

86566990

CABLE TIE,292mm OAL x 4.8mm W

6шт.

25

9512535

HOSE

L=0.15M

1шт.

25

84100225

TUBE,55 mm Length

1шт.

26

9512534

HYD CONNECTOR

4шт.

27

10791411

THIN NUT,Thin, M16, 1.50mm Pitch, 8.00mm High, Cl 04, ZND

4шт.

28

84078637

WRAPPER

, Start Serial: D088

2шт.

29

9512527

FERRULE

, Start Serial: D088

3шт.

30

150064

CLAMP

, Start Serial: D147

4шт.

FOR LB324R LB334R LB424R LB434R ONLY

1шт.

FOR LARGE TANDEM AXLE ONLY

1шт.

Выбрано товаров: 54