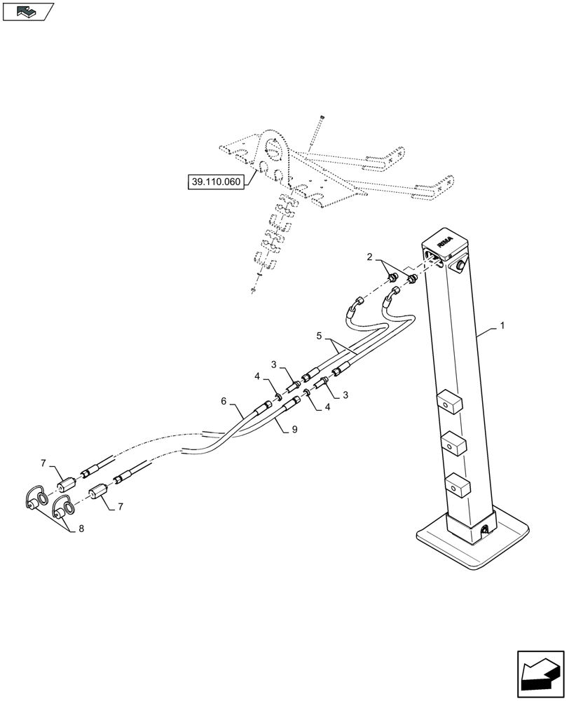
Запчасти Case IH LB434S XL (39.110.080) - HYDRAULIC JACK - D122 (39) - FRAMES AND BALLASTING

Схема запчастей Case IH LB434S XL - (39.110.080) - HYDRAULIC JACK - D122 (39) - FRAMES AND BALLASTING
39.110.060
6
1
8
2
3
4
5
7
7
3
4
9
FIT
1:1
100%

Артикул

Название

Примечание

Количество

1

47689181

HYDRAULIC JACK

1шт.

2

84043514

HYD CONNECTOR

2шт.

3

87479525

FITTING

, Serial Range: -C161

2шт.

4

87493574

NUT

2шт.

5

47416999

HOSE

2шт.

6

47637354

HOSE

, Serial Range: -C161

1шт.

6

48021939

HYDRAULIC HOSE

WHITE, Start Serial: D162

1шт.

7

84819675

PUSH-PULL COUPLING

2шт.

8

86592084

DUST CAP

2шт.

9

47637354

HOSE

, Serial Range: -C161

1шт.

9

48021940

HYDRAULIC HOSE

BLACK, Start Serial: D162

1шт.

Выбрано товаров: 11