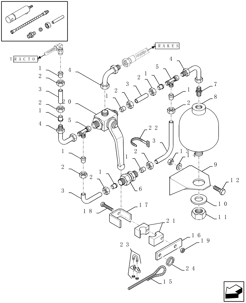
Запчасти Case IH LBX331P (07.03[01]) - EMERGENCY BRAKE SYSTEM, FRANCE (07) - HYDRAULIC SYSTEM

Схема запчастей Case IH LBX331P - (07.03[01]) - EMERGENCY BRAKE SYSTEM, FRANCE (07) - HYDRAULIC SYSTEM
1
4
24
1
2
18
2
12
21
2
1
2
4
7
3
14
1
2
9
8
22
10
2
6
1
4
1
3
1
5
2
23
11
13
tractor
19
15
3
5
1
3
2
20
brakes
16
17
FIT
1:1
100%

Артикул

Название

Примечание

Количество

1

80150014

FERRULE

10MM

1шт.

2

86548975

PIPE UNION NUT,M16 x 1.5

M10

1шт.

3

80371539

RIGID TUBE

D=10mm, L=2m

1шт.

4

80418284

ELBOW

3шт.

5

80734031

HYD CONNECTOR

2шт.

6

84078038

VALVE,M16 x 1.5 x M16 x 1.5

1шт.

7

80395019

HYD CONNECTOR

1шт.

8

84018412

ACCUMULATOR,0.5L

1шт.

9

84078103

SUPPORT

1шт.

10

80140110

WASHER

1шт.

11

80308823

NUT

M28

1шт.

12

120104

BOLT,Hex, M8 x 1.25 x 20mm, Cl 8.8

2шт.

13

80322358

LOCK WASHER

8MM

2шт.

15

89839198

CABLE

1шт.

16

80921153

PLATE

1шт.

17

80433101

SUPPORT

1шт.

18

80043117

SCREW

M6x30

1шт.

19

80353308

NUT

M6

1шт.

20

84320121

DRAINCOCK/TAP SUPPLY,M16 x 1.5 x M16 x 1.5

1шт.

21

80433008

CLAMP

2шт.

22

80368582

STRAP

2шт.

23

84607248

WIRE CLAMP

1шт.

24

84078105

RING

1шт.

14

89706690

NUT,M8, Cl 8

2шт.

Выбрано товаров: 24