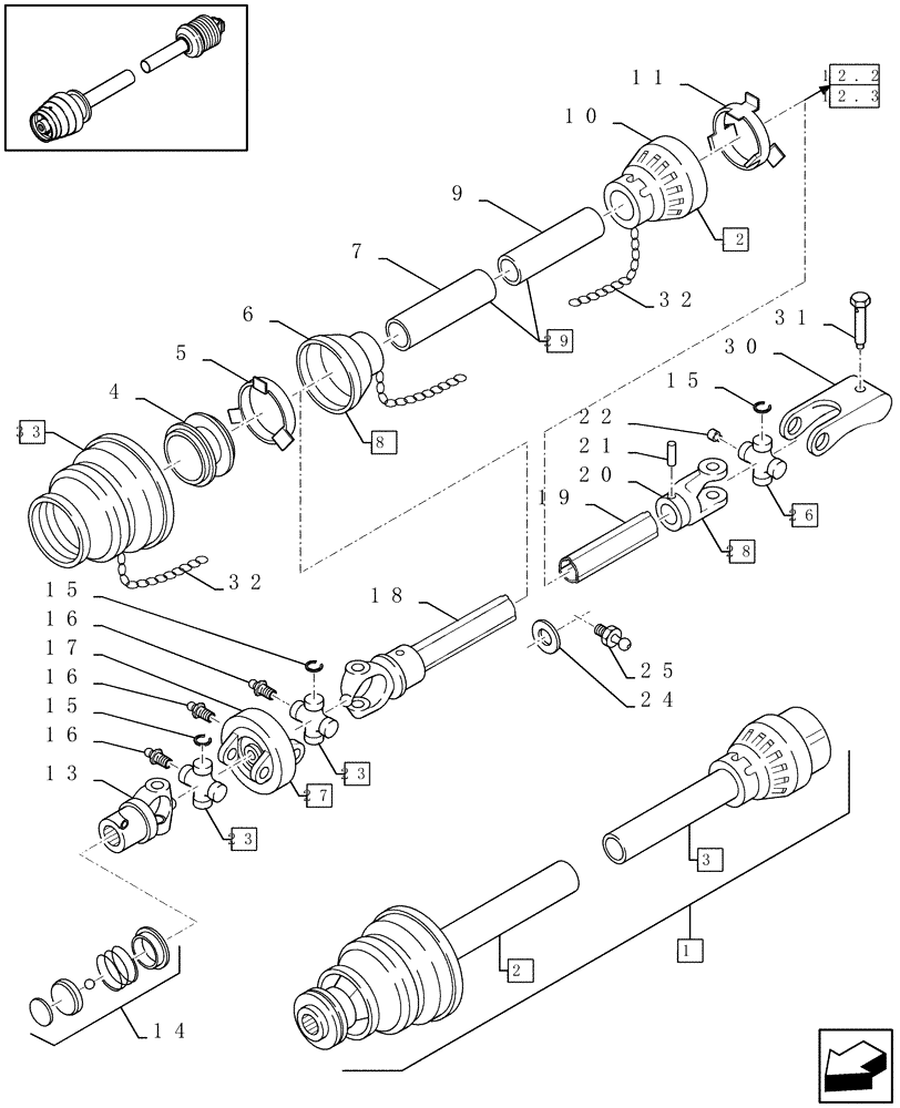
Запчасти Case IH LBX331P (01.01[01]) - POWER TAKE-OFF, FRONT (01) - POWER TAKE OFF

Схема запчастей Case IH LBX331P - (01.01[01]) - POWER TAKE-OFF, FRONT (01) - POWER TAKE OFF
2
5
25
29
28
7
6
12.3
19
22
14
33
12
1
17
32
10
24
9
32
16
12.2
16
21
4
8
20
15
26
11
15
15
16
23
30
13
31
23
27
18
3
FIT
1:1
100%

Артикул

Название

Примечание

Количество

1

84607935

PTO

6 Splines (1.3/8"), Incl. all refs.

1шт.

1

84607937

PTO

20 Splines (1.3/4"), Incl. all refs.

1шт.

1

84607936

PTO

21 Splines (1.3/8"), Incl. all refs.

1шт.

84437821R

PTO

LBX331R

1шт.

84437821C

PTO

Return Number

1шт.

84437821R

PTO

LBX331S

1шт.

84437821C

PTO

Return Number

1шт.

84437821R

PTO

LBX331P,

1шт.

84437821C

PTO

Return Number

1шт.

2

84437821

PTO

21 Splines (1.3/8"), (4 to 7,13,18,23,27,32,33)

1шт.

2

84437820

PTO

6 Splines (1.3/8"), (4 to 7,13,18,23,27,32,33)

1шт.

2

84437819

PTO

20 Splines (1.3/4"), (4 to 7,1318,23,27,32,33)

1шт.

3

84437829

PTO

1шт.

4

84036379

RING

2шт.

5

84036372

RING

1шт.

6

84437785

PROTECTION CAP

1шт.

7

84437833

PROTECTING COVER

1шт.

8

84437797

PROTECTING COVER

(5 to 7)

1шт.

9

84437782

PROTECTING COVER

1шт.

10

84437806

PROTECTOR

1шт.

11

84036377

EXTENSION

1шт.

12

84437802

PROTECTING COVER

(9 to 11)

1шт.

13

84053779

YOKE

21 Splines (1.3/8")

1шт.

13

84053851

YOKE

20 Splines (1.3/4")

1шт.

13

84053775

YOKE

6 Splines (1.3/8")

1шт.

14

84056326

KIT

20 Splines

1шт.

14

84437783

KIT

6 Splines

1шт.

15

84036362

CIRCLIP

12шт.

16

321204

LUBE NIPPLE,M6 x 1.0 x 16mm OAL

3шт.

17

84036363

YOKE

1шт.

18

84437804

PROPELLER SHAFT

1шт.

19

84045870

PROPELLER SHAFT

1шт.

20

84004288

YOKE

1шт.

21

84036368

ROLL PIN

1шт.

22

84026545

LUBE NIPPLE

1шт.

23

84045869

SPIDER

(15,16)

2шт.

24

84036370

RING

1шт.

25

84036369

LUBE NIPPLE

1шт.

26

84004289

SPIDER

(15,22)

1шт.

27

84437818

PTO

21 Splines (1.3/8"), (13 to 18,23 - 25,27)

1шт.

27

84437817

PTO

6 Splines (1.3/8"), (13 to18,23 - 25,27)

1шт.

27

84437816

PTO

20 Splines (1.3/4"), (13 to 18,23 - 25,27)

1шт.

28

84045878

PTO SHAFT

(19 - 22,26,30,31)

1шт.

29

84437792

PROTECTING COVER

(5 - 11)

1шт.

30

84045872

YOKE

(31)

1шт.

31

84041575

PIN

1шт.

32

84036378

CHAIN

2шт.

33

84437810

PROTECTION CAP

(4)

1шт.

Выбрано товаров: 48