Качественные детали и логистика

zakaz@partsell.ru 8 (800) 777-65-74
  • Написать в whatsapp
  • Каталог
  • Справочники
  • Сервисным и ремонтным
    организациям
  • Поставщикам запчастей
  • Контакты
Заказать запчасти

Оригинальные и аналоговые запчасти с доставкой по России, Казахстану и Беларуси

©2022 PartSell
ООО "Система"
ИНН 2463123282
ОГРН 1212400004838


Центральный офис: г. Красноярск, Академика Киренского, д.87, пом.4

Телефон: 8 (800) 777-65-74
Email: zakaz@partsell.ru

8 (800) 777-65-74 zakaz@partsell.ru
Главная
/
Справочники
/
Case IH
/
Пресс-подборщики
/
Тюковые пресс-подборщики
/
LARGE
/
(LBX331P) - BIG RECTANGULAR BALER PACKER CUTTER (6/01-12/03)
/
(05) - AXLE
/

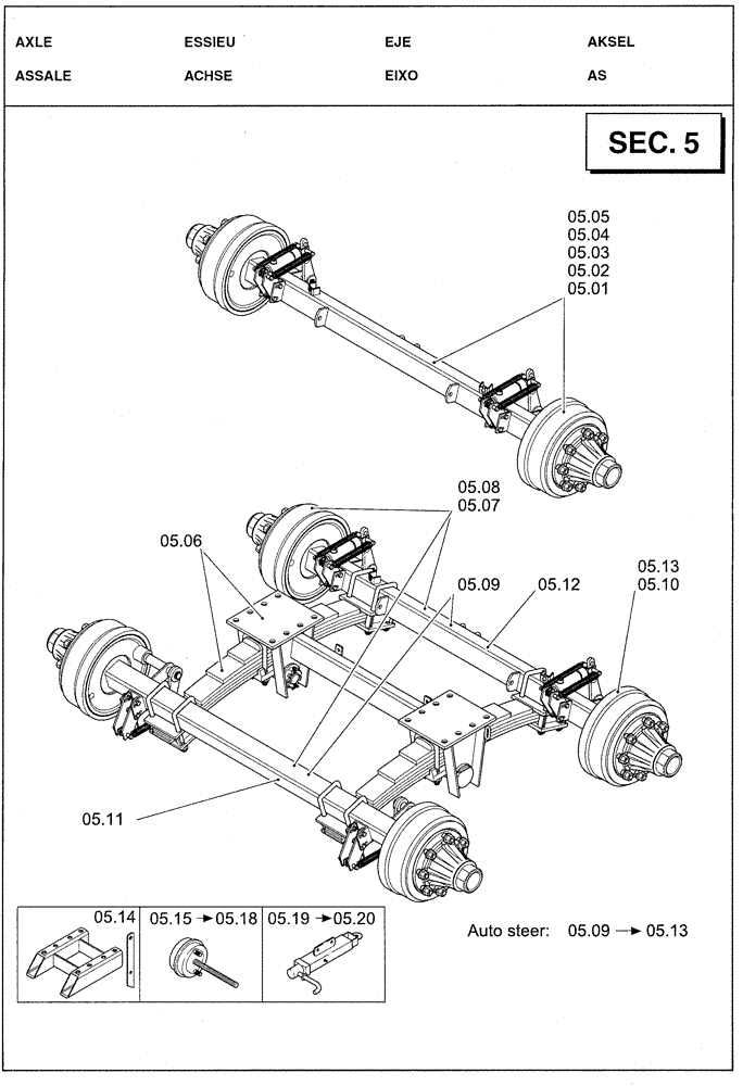
(05.00[01]) - SECTION LIST 5 - AXLE

Запчасти Case IH LBX331P (05.00[01]) - SECTION LIST 5 - AXLE (05) - AXLE