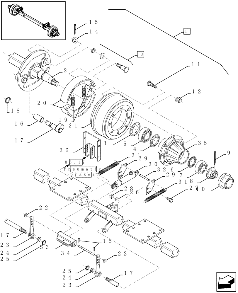
Запчасти Case IH LBX331S (05.03[01]) - SINGLE AXLE WITH BRAKES (05) - AXLE

Схема запчастей Case IH LBX331S - (05.03[01]) - SINGLE AXLE WITH BRAKES (05) - AXLE
19
9
30
18
29
14
23
2
22
20
34
pneumatic
5
6
23
12
17
31
16
15
brakes
10
27
17
4
33
13
25
29
26
36
28
7
05.17
11
21
24
35
3
32
31
17
8
1
22
15
24
25
FIT
1:1
100%

Артикул

Название

Примечание

Количество

1

84807489

AXLE

, Serial Range: (2-35)

1шт.

FOR HYDRAULIC BRAKES ONLY

1шт.

1

84807490

AXLE

(2 to 25, Serial Range: 33-36)

1шт.

FOR PNEUMATIC BRAKES ONLY

1шт.

2

NSS

NOT SOLD SEPARAT

Shaft

1шт.

3

84807624

SEAL

2шт.

4

84100482

RING

2шт.

5

84100483

BALL BEARING,75mm ID x 130mm OD x 33.25mm W

2шт.

6

84100484

RING

2шт.

7

84100485

BALL BEARING,60mm ID x 110mm OD x 29.75mm W

2шт.

8

84100486

NUT

2шт.

9

84041875

PIN

2шт.

10

84100487

KIT

2шт.

11

84014229

BOLT

16шт.

12

84045545

WHEEL NUT

16шт.

13

84014230

PIN

2шт.

14

80412106

SLOTTED NUT

2шт.

15

80412685

COTTER PIN

4шт.

16

84014235

SLEEVE

4шт.

17

84100490

SHAFT

2шт.

18

80300632

RETAINER

2шт.

19

84014232

TENSION SPRING

4шт.

20

84014231

BRAKE SHOE

4шт.

21

84043371

DRUM

2шт.

22

80140069

WASHER

2шт.

23

84014238

LEVER

2шт.

FOR HYDRAULIC BRAKES ONLY

1шт.

23

84807628

LEVER

LH

2шт.

FOR PNEUMATIC BRAKES ONLY

1шт.

23

84807627

LEVER

RH

2шт.

FOR PNEUMATIC BRAKES ONLY

1шт.

24

80726059

WASHER

2шт.

25

80370002

CIRCLIP

2шт.

26

80140047

LOCK WASHER

4шт.

27

86509597

BOLT,Hex, M30 x 14mm, Cl 8.8

4шт.

28

80100065

NUT

4шт.

29

84100491

SUPPORT

2шт.

30

84014243

CYLINDER

D=30MM

1шт.

31

84014241

SPRING

2шт.

32

84014244

PIN

1шт.

33

84053856

LEVER

1шт.

34

84045542

PIN

1шт.

35

84100480

HUB

2шт.

36

84100493

SUPPORT

1шт.

Выбрано товаров: 44