Запчасти Case IH LBX332P (06.76[01]) - CABLE HARNESS : 84448294 - C479 (06) - ELECTRICAL SYSTEMS

Схема запчастей Case IH LBX332P - (06.76[01]) - CABLE HARNESS : 84448294 - C479 (06) - ELECTRICAL SYSTEMS
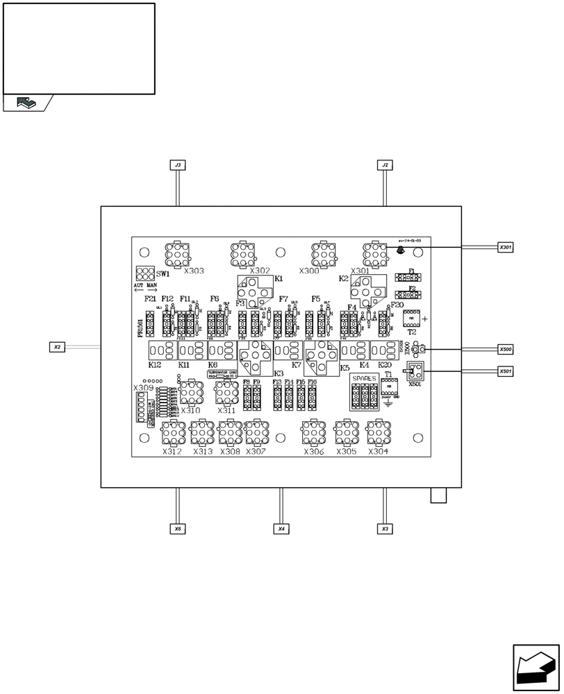
x501
x301
j2
home
j3
x2
x3
x500
x4
x6
FIT
1:1
100%

Артикул

Название

Примечание

Количество

j002

NS

NOT SERVICED

J2

1шт.

j003

NS

NOT SERVICED

J3

1шт.

x002

84074254

CONTACT HOUSING,Male, 9 Pole

X 2

1шт.

x003

636665

LOCK WASHER,43.18mm ID x 52.68mm OD x 1.57mm Thk

X3

1шт.

636666

NUT,1 11/16"-18

1шт.

84074251

ELEC CONNECTOR

1шт.

x004

636665

LOCK WASHER,43.18mm ID x 52.68mm OD x 1.57mm Thk

X4

1шт.

636666

NUT,1 11/16"-18

1шт.

84074251

ELEC CONNECTOR

1шт.

x006

636665

LOCK WASHER,43.18mm ID x 52.68mm OD x 1.57mm Thk

X6

1шт.

636666

NUT,1 11/16"-18

1шт.

84074251

ELEC CONNECTOR

1шт.

x301

9505300

CONTACT HOUSING

X301

1шт.

9506052

TERMINAL CONNECTOR,Male, 0.5 - 2 mm2

1шт.

9506053

TERMINAL CONNECTOR

1шт.

x500

NS

NOT SERVICED

X500

1шт.

x501

NS

NOT SERVICED

X501

1шт.

Выбрано товаров: 17