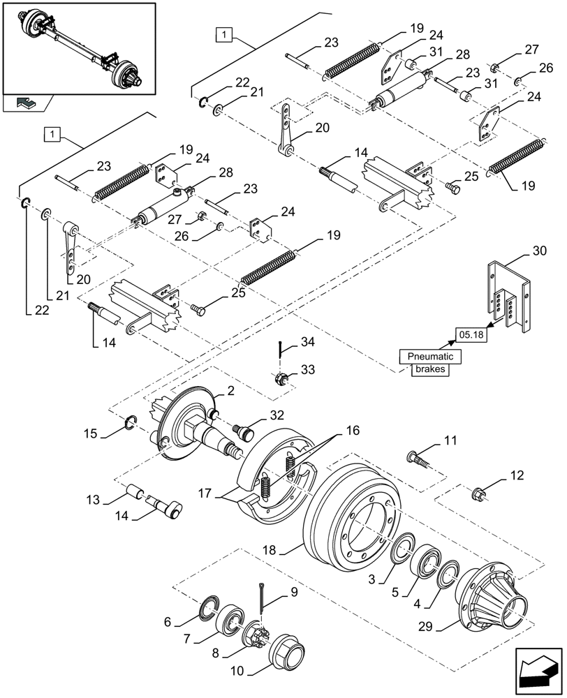
Запчасти Case IH LBX332P (05.08[01]) - TANDEM AXLE WITH BRAKES (05) - AXLE

Схема запчастей Case IH LBX332P - (05.08[01]) - TANDEM AXLE WITH BRAKES (05) - AXLE
2
31
34
29
14
10
12
21
19
30
32
27
16
25
14
11
23
13
7
33
24
26
23
1
17
9
4
14
23
05.18
23
24
24
3
18
21
15
home
pneumatic
22
22
19
8
brakes
26
5
27
19
6
24
25
20
19
28
28
1
31
20
FIT
1:1
100%

Артикул

Название

Примечание

Количество

1

84807542

FRONT AXLE

(2-29)

1шт.

FOR HYDRAULIC BRAKES ONLY

1шт.

FOR LBX322S, LBX322P, LBX322R, LBX332S, LBX332P, LBX332R ONLY

1шт.

1

84807543

REAR AXLE

(2-29)

1шт.

FOR HYDRAULIC BRAKES ONLY

1шт.

FOR LBX322S, LBX322P, LBX322R, LBX332S, LBX332P, LBX332R ONLY

1шт.

1

84807551

FRONT AXLE

(2-29)

1шт.

FOR HYDRAULIC BRAKES ONLY

1шт.

FOR LBX422S, LBX422R, LBX432S, LBX432R ONLY

1шт.

1

84807552

REAR AXLE

(2-29)

1шт.

FOR HYDRAULIC BRAKES ONLY

1шт.

FOR LBX422S, LBX422R, LBX432S, LBX432R ONLY

1шт.

1

84807544

FRONT AXLE

(2 to 18, 20 to 22, 30)

1шт.

FOR PNEUMATIC BRAKES ONLY

1шт.

FOR LBX322S, LBX322P, LBX332S, LBX332P, LBX422S, LBX432S ONLY

1шт.

1

84807545

REAR AXLE

(2 to 18, 20 to 22, 30)

1шт.

FOR PNEUMATIC BRAKES ONLY

1шт.

FOR LBX322S, LBX322P, LBX322R, LBX332S, LBX332P, LBX332R ONLY

1шт.

1

84807553

FRONT AXLE

(2 to 18, 20 to 22, 30)

1шт.

FOR PNEUMATIC BRAKES ONLY

1шт.

FOR LBX422S, LBX422R, LBX432S, LBX432R ONLY

1шт.

1

84807554

REAR AXLE

(2 to 18, 20 to 22, 30)

1шт.

FOR PNEUMATIC BRAKES ONLY

1шт.

FOR LBX422S, LBX422R, LBX432S, LBX432R ONLY

1шт.

2

NSS

NOT SOLD SEPARAT

Shaft

1шт.

3

84807624

SEAL

4шт.

4

84100482

RING

4шт.

5

84100483

BALL BEARING,75mm ID x 130mm OD x 33.25mm W

4шт.

6

84100484

RING

4шт.

7

84100485

BALL BEARING,60mm ID x 110mm OD x 29.75mm W

4шт.

8

84100486

NUT

4шт.

9

84041875

PIN

4шт.

10

84100487

KIT

4шт.

11

84014229

BOLT

32шт.

12

84045545

WHEEL NUT

32шт.

13

84014235

SLEEVE

8шт.

14

84100574

SHAFT

4шт.

15

80300632

RETAINER

4шт.

16

84100575

SPRING

8шт.

17

84100576

BRAKE SHOE

8шт.

18

84100577

HUB

4шт.

19

84014241

SPRING

8шт.

20

84429121

LEVER

4шт.

FOR HYDRAULIC BRAKES ONLY

1шт.

20

84807627

LEVER

RH

1шт.

FOR PNEUMATIC BRAKES ONLY

1шт.

20

84807628

LEVER

LH

1шт.

FOR PNEUMATIC BRAKES ONLY

1шт.

21

84814994

WASHER,26mm ID x 50mm OD x 3mm Thk

4шт.

FOR HYDRAULIC BRAKES ONLY

1шт.

22

80370002

CIRCLIP

4шт.

23

84014244

PIN

8шт.

24

84100491

SUPPORT

8шт.

FOR HYDRAULIC BRAKES ONLY

1шт.

25

86509597

BOLT,Hex, M30 x 14mm, Cl 8.8

16шт.

26

80140047

LOCK WASHER

14 MM

16шт.

27

80100065

NUT

M14

16шт.

28

84014242

CYLINDER

D= 25 MM

4шт.

29

84100480

HUB

4шт.

30

84100493

SUPPORT

4шт.

FOR PNEUMATIC BRAKES ONLY

1шт.

31

84807633

SPACER

4шт.

32

84807532

PIN

2шт.

33

84807533

NUT

M24 x 1.5

2шт.

34

80412685

COTTER PIN

2шт.

Выбрано товаров: 65