Запчасти Case IH LBX332R (13.08[01]) - PICK-UP, REEL (13) - FEEDER

Схема запчастей Case IH LBX332R - (13.08[01]) - PICK-UP, REEL (13) - FEEDER
13.04
4
16
7
8
5
18
2
11
24
15
6
9
19
12
23
2
3
4
2
22
21
20
3
10
21
home
14
17
2
13
5
1
13.04
FIT
1:1
100%

Артикул

Название

Примечание

Количество

1

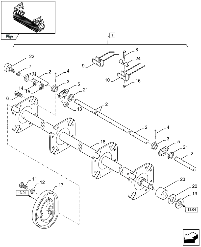
84086552

REEL

(2-22)

1шт.

FOR LBX322R, LBX332R ONLY

1шт.

1

84086556

REEL

(2-22)

1шт.

FOR LBX422R, LBX432R ONLY

1шт.

2

84607752

TINE BAR

4шт.

FOR LBX322R, LBX332R ONLY

1шт.

2

84607736

TINE BAR

4шт.

FOR LBX422R, LBX432R ONLY

1шт.

3

80054770

BALL BEARING

1шт.

MAINTENANCE PART

1шт.

4

80136521

COTTER PIN

1шт.

MAINTENANCE PART

1шт.

5

80054695

BEARING CARRIER

1шт.

MAINTENANCE PART

1шт.

6

80380425

BOLT

1шт.

7

84078880

BUSHING,15.88mm ID x 30mm OD x 13.5mm L

4шт.

8

80043129

SCREW

M8 x 40, Serial Range: -C491

1шт.

8

386045

BOLT,Hex, M8 x 1.25 x 45mm, Cl 8.8

, Start Serial: D492

1шт.

9

89847572

TINE

Outside

1шт.

MAINTENANCE PART

1шт.

10

84056883

TINE,2 Prongs, 96.52mm L

Inside

1шт.

MAINTENANCE PART

1шт.

11

80043140

BOLT,M10 x 1.5 x 30mm, Cl 8.8

3шт.

12

80140045

WASHER

Belleville, M10

3шт.

13

80100037

NUT,M10 x 1.5, Class 8

1шт.

14

80446691

WASHER

4шт.

15

86511416

JAM NUT,Jam, 5/8"-18, G2

4шт.

16

86629542

NUT,M8 x 1.25, Cl 8.8

1шт.

17

84607813

CAM

1шт.

18

84607910

REEL

, Serial Range: -C491

1шт.

FOR LBX322R, LBX332R ONLY

1шт.

18

84801737

TUBE,1891 mm L

, Serial Range: -F492655

1шт.

FOR LBX322R, LBX332R ONLY

1шт.

18

87524838

ROTOR

, Start Serial: D656

1шт.

FOR LBX322R, LBX332R ONLY

1шт.

18

84607906

REEL

, Serial Range: -C491

1шт.

FOR LBX422R, LBX432R ONLY

1шт.

18

84801740

TUBE,2275 mm L

, Serial Range: -F492655

1шт.

FOR LBX422R, LBX432R ONLY

1шт.

18

87523950

ROTOR

, Start Serial: D656

1шт.

FOR LBX422R, LBX432R ONLY

1шт.

19

80442293

WASHER

, Serial Range: -C491

1шт.

20

80047704

WASHER

36 MM, Serial Range: -C491

1шт.

21

80442245

RING

1шт.

MAINTENANCE PART

1шт.

22

84056924

CAM FOLLOWER,Tine Shaft

4шт.

MAINTENANCE PART

1шт.

23

84817286

BUSHING,35.7mm ID x 48.3mm OD x 22mm L

1шт.

24

84801578

STOP

1шт.

Выбрано товаров: 49