Запчасти Case IH LBX332R (03.04[01]) - MAIN GEARBOX (03) - MAIN GEARBOX

Схема запчастей Case IH LBX332R - (03.04[01]) - MAIN GEARBOX (03) - MAIN GEARBOX
5
2
8
03.01
9
9
2
3
1
10
4
1
7
home
3
10
6
8
7
FIT
1:1
100%

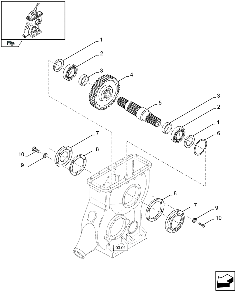
Артикул

Название

Примечание

Количество

1

84005556

RING

2шт.

2

84000813

ROLLER BEARING

2шт.

3

84074457

SPACER

, Serial Range: -C662

2шт.

3

87718406

SPACER

, Start Serial: D663

1шт.

4

84074448

GEAR

1шт.

5

84074449

SHAFT

, Serial Range: -C411

1шт.

5

84800769

SHAFT

, Serial Range: -F412662

1шт.

5

87718405

SHAFT

, Start Serial: D663

1шт.

6

84074470

SHIM

1шт.

7

84074458

COVER

2шт.

8

84074454

GASKET,0.2mm Thk

2шт.

9

80412123

LOCK WASHER

12.4 MM

16шт.

10

80300389

BOLT,M12 x 35mm

M12 x 35

16шт.

Выбрано товаров: 13