Запчасти Case IH LBX421R (06.06[01]) - MONITOR (06) - ELECTRICAL SYSTEMS

Схема запчастей Case IH LBX421R - (06.06[01]) - MONITOR (06) - ELECTRICAL SYSTEMS
5
8
4
11
10
13
x1
7
6
1
14
12
3
06.01
9
2
FIT
1:1
100%

Артикул

Название

Примечание

Количество

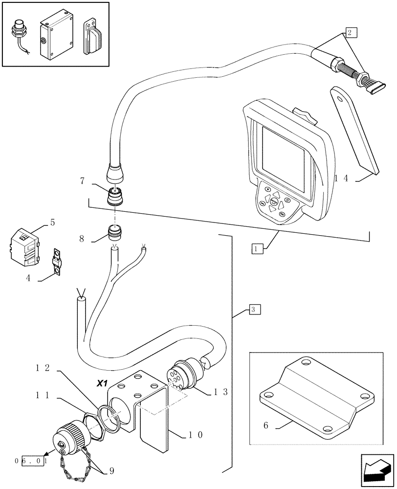
1

84437609

CONTROL MONITOR

(2,14), Serial Range: -C257

1шт.

1

84440344

CONTROL MONITOR

(2,14), Start Serial: D258

1шт.

2

84807172

WIRE HARNESS

(7)

1шт.

3

84437435

WIRE HARNESS

(4,5, Serial Range: 8-13)

1шт.

SEE FIGURE 06.51

1шт.

4

84078783

FUSE,80A, Midival

80A

1шт.

5

84078784

FUSE HOLDER

1шт.

6

84429657

SUPPORT

1шт.

7

84074253

MULTIPOLE CONNECTOR,Female, 9 Pole

1шт.

8

84074255

CONTACT HOUSING,Male, 9 Pole

1шт.

9

767456

PLUG

1шт.

10

NSS

NOT SOLD SEPARAT

SUPPORT

1шт.

11

NSS

NOT SOLD SEPARAT

COVER

1шт.

12

84037188

O-RING,3mm Thk x 34.2mm ID, 70 Duro

1шт.

13

84074256

TERMINAL CONNECTOR,Male

1шт.

14

84437266

BRACKET

1шт.

Выбрано товаров: 16