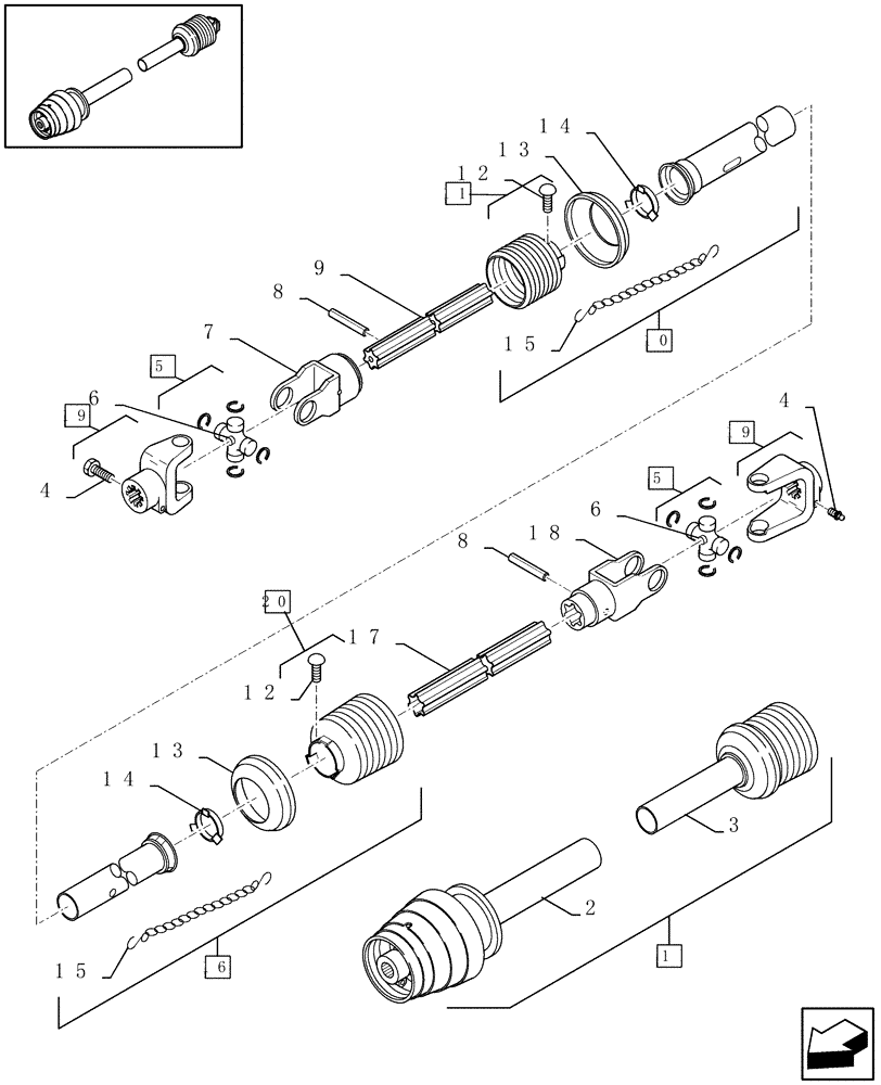
Запчасти Case IH LBX431S (01.07[01]) - POWER TAKE-OFF, REAR (01) - POWER TAKE OFF

Схема запчастей Case IH LBX431S - (01.07[01]) - POWER TAKE-OFF, REAR (01) - POWER TAKE OFF
18
14
13
5
4
5
11
8
15
12
14
13
10
4
2
20
9
6
6
19
16
1
8
17
7
19
12
15
3
FIT
1:1
100%

Артикул

Название

Примечание

Количество

1

84607933

PTO

, Serial Range: (2-19)

1шт.

2

84807041

PTO

Shaft,p.t.o.,half

1шт.

3

84807042

PTO

Shaft,p.t.o.,half

1шт.

4

84037058

LOCK PIN

1шт.

5

80427837

SPIDER

(6)

2шт.

6

150024

LUBE NIPPLE,45 Degree, M8 x 1

2шт.

7

80748481

YOKE

1шт.

8

80412360

ROLL PIN

2шт.

9

84100165

PROPELLER SHAFT

1шт.

10

84807043

PROTECTING COVER

, Serial Range: (11-15)

1шт.

11

84807040

PROTECTION CAP

(12)

1шт.

12

86585706

SCREW,Phillips Drive, Pan HD, M4 x 10mm, Cl 4.8

2шт.

13

80456570

REINFORCEMENT

2шт.

14

80411728

RING

2шт.

15

80379650

CHAIN

2шт.

16

84807044

PROTECTING COVER

, Serial Range: (11-15)

1шт.

17

84100166

PROPELLER SHAFT

1шт.

18

84037066

YOKE

1шт.

19

84037057

YOKE

(4)

1шт.

20

84807045

PROTECTION CAP

1шт.

Выбрано товаров: 20