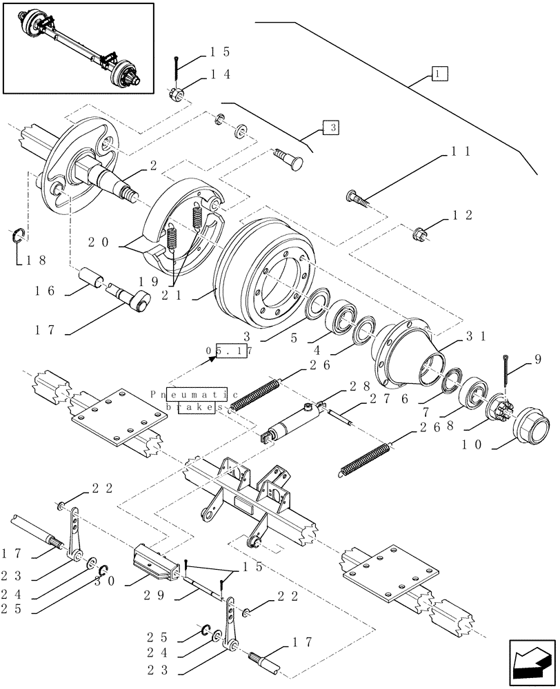
Запчасти Case IH LBX431S (05.04[01]) - SINGLE AXLE WITH BRAKES (05) - AXLE

Схема запчастей Case IH LBX431S - (05.04[01]) - SINGLE AXLE WITH BRAKES (05) - AXLE
9
18
24
19
2
31
25
15
25
14
6
30
26
brakes
22
4
21
17
26
15
24
27
23
1
3
20
12
8
11
5
05.17
17
17
pneumatic
10
29
7
16
22
28
23
13
FIT
1:1
100%

Артикул

Название

Примечание

Количество

1

84807491

AXLE

, Serial Range: (2-31)

1шт.

FOR LBX331R, LBX331P ONLY

1шт.

FOR HYDRAULIC BRAKES ONLY

1шт.

1

84807492

AXLE

(2 to 25, Serial Range: 29-31)

1шт.

FOR LBX331R, LBX331P ONLY

1шт.

FOR PNEUMATIC BRAKES ONLY

1шт.

1

84807495

AXLE

, Serial Range: (2-31)

1шт.

FOR LBX421S, LBX431S ONLY

1шт.

FOR HYDRAULIC BRAKES ONLY

1шт.

1

84807496

AXLE

(2 to 25, Serial Range: 29-31)

1шт.

FOR LBX421S, LBX431S ONLY

1шт.

FOR PNEUMATIC BRAKES ONLY

1шт.

2

NSS

NOT SOLD SEPARAT

Shaft

1шт.

3

84807629

SEALING RING

2шт.

4

84100478

RING

2шт.

5

84041878

TAPERED BEARING

2шт.

6

84041877

SEALING RING

SEALRING

2шт.

7

84041879

TAPERED BEARING

2шт.

8

84100479

NUT

2шт.

9

84041875

PIN

2шт.

10

84041874

DUST CAP

2шт.

11

84014229

BOLT

16шт.

12

84045545

WHEEL NUT

16шт.

13

84014230

PIN

2шт.

14

80412106

SLOTTED NUT

2шт.

15

80412685

COTTER PIN

4шт.

16

84014235

SLEEVE

4шт.

17

84100498

SHAFT

2шт.

FOR LBX331R, LBX331P ONLY

1шт.

17

84014237

SHAFT

2шт.

FOR LBX421S, LBX431S ONLY

1шт.

18

80300632

RETAINER

2шт.

19

84014232

TENSION SPRING

4шт.

20

84014231

BRAKE SHOE

4шт.

21

84043371

DRUM

2шт.

22

80140069

WASHER

2шт.

23

84014238

LEVER

2шт.

FOR HYDRAULIC BRAKES ONLY

1шт.

23

84807628

LEVER

LH

2шт.

FOR PNEUMATIC BRAKES ONLY

1шт.

23

84807627

LEVER

RH

2шт.

FOR PNEUMATIC BRAKES ONLY

1шт.

24

80726059

WASHER

2шт.

25

80370002

CIRCLIP

2шт.

26

84014241

SPRING

2шт.

27

84014244

PIN

1шт.

28

84014243

CYLINDER

D=30MM

1шт.

29

84045542

PIN

1шт.

30

84053856

LEVER

1шт.

FOR HYDRAULIC BRAKES ONLY

1шт.

30

84045543

LEVER

1шт.

FOR PNEUMATIC BRAKES ONLY

1шт.

31

84100476

HUB

2шт.

Выбрано товаров: 53