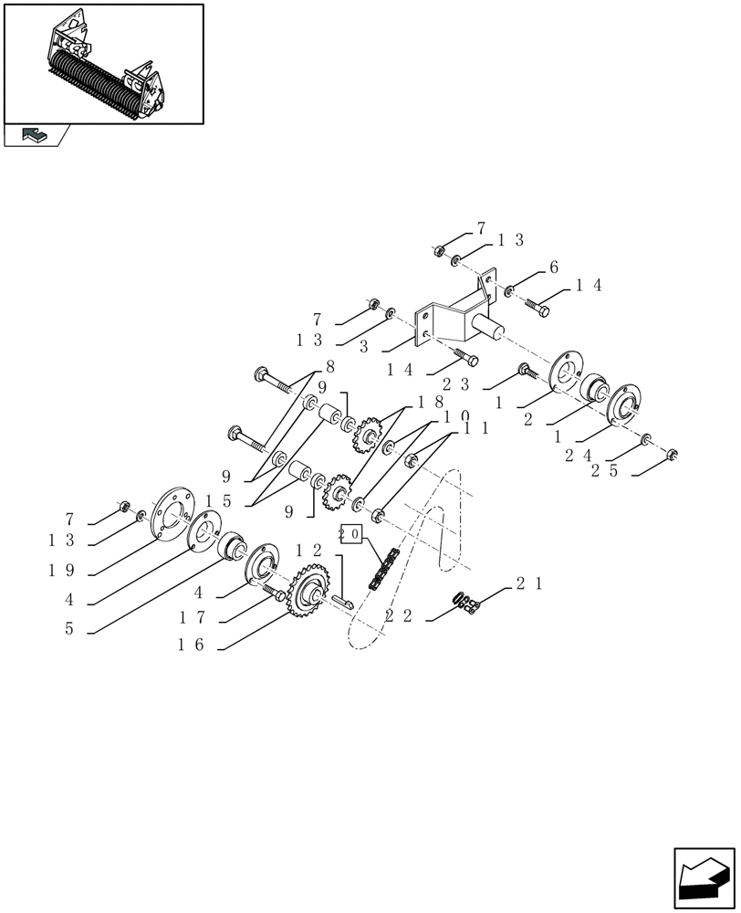
Запчасти Case IH LBX432S (13.02[01]) - PICK-UP, MAIN TRANSMISSION, LH (13) - FEEDER

Схема запчастей Case IH LBX432S - (13.02[01]) - PICK-UP, MAIN TRANSMISSION, LH (13) - FEEDER
12
9
19
8
13
22
4
13
1
17
13
10
11
9
9
7
7
4
25
5
1
14
18
20
16
24
14
3
home
2
6
15
23
21
7
FIT
1:1
100%

Артикул

Название

Примечание

Количество

1

86620027

FLANGED BEARING,80.02mm ID x 147.6mm OD x 4mm Thk

2шт.

2

80552945

BEARING ASSY

1шт.

MAINTENANCE PART

1шт.

3

89837866

SUPPORT

1шт.

4

80036403

FLANGE

2шт.

5

89837842

BEARING ASSY

1шт.

MAINTENANCE PART

1шт.

6

80378244

LOCK WASHER

10.5 MM

2шт.

7

100016

NUT,M10 x 1.5, Cl 8

7шт.

8

80120049

BOLT

M16 x 90

2шт.

9

80378246

WASHER

16 MM

4шт.

10

80140048

WASHER

16 MM

2шт.

11

100020

NUT,M16 x 2.0, Cl 8

2шт.

12

80333228

KEY

1шт.

13

80140045

WASHER

10 MM

7шт.

14

80120111

SCREW

M10 x 30

4шт.

15

84007604

BUSHING,17mm ID x 28mm OD x 29mm L

2шт.

16

84000092

DRIVEN SPROCKET

1шт.

17

86512446

CARRIAGE BOLT,M10 x 1.5 x 30mm, Cl 8.8

3шт.

18

89837969

DRIVEN SPROCKET

, Serial Range: -C575

2шт.

MAINTENANCE PART

1шт.

18

87517105

DRIVEN SPROCKET

, Start Serial: D576

2шт.

MAINTENANCE PART

1шт.

19

89850763

RING

1шт.

20

89837965

CHAIN

(21, 22)

1шт.

MAINTENANCE PART

1шт.

21

25816

OFFSET LINK

1шт.

MAINTENANCE PART

1шт.

22

80025194

CONNECTING LINK

1шт.

MAINTENANCE PART

1шт.

23

80120044

BOLT

M12 x 30

3шт.

24

80140046

WASHER

12 MM

3шт.

25

80100018

NUT

M12

3шт.

Выбрано товаров: 33