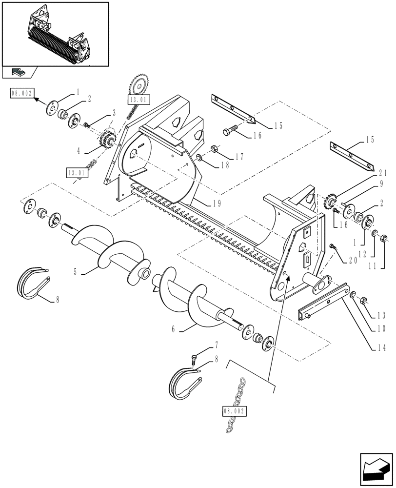
Запчасти Case IH LBX432S (13.05[01]) - PICK-UP, FRAME (13) - FEEDER

Схема запчастей Case IH LBX432S - (13.05[01]) - PICK-UP, FRAME (13) - FEEDER
11
8
14
17
2
4
15
16
3
10
20
1
1
18
7
13
12
6
9
19
8
2
21
home
5
13.01
08.002
08.002
13.01
16
15
FIT
1:1
100%

Артикул

Название

Примечание

Количество

1

80036403

FLANGE

8шт.

2

89837842

BEARING ASSY

4шт.

MAINTENANCE PART

1шт.

3

89837838

KEY

1шт.

4

89837885

DRIVEN SPROCKET

1шт.

5

84607750

AUGER

1шт.

FOR LBX322S, LBX322P, LBX332S, LBX332P ONLY

1шт.

5

84607795

AUGER

1шт.

FOR LBX422S, LBX432S ONLY

1шт.

6

84607747

AUGER

1шт.

FOR LBX322S, LBX322P, LBX332S, LBX332P ONLY

1шт.

6

84607794

AUGER

1шт.

FOR LBX422S, LBX432S ONLY

1шт.

7

86511478

BOLT,Hex Serr, M8 x 1.25 x 16mm

1шт.

8

84607815

GUARD

, Serial Range: -C547

27шт.

FOR LBX322S, LBX322P, LBX332S, LBX332P ONLY

1шт.

MAINTENANCE PART

1шт.

8

84801631

GUARD

, Start Serial: D548

27шт.

FOR LBX322S, LBX322P, LBX332S, LBX332P ONLY

1шт.

MAINTENANCE PART

1шт.

8

84607815

GUARD

, Serial Range: -C547

31шт.

MAINTENANCE PART

1шт.

FOR LBX422S, LBX432S ONLY

1шт.

8

84801631

GUARD

, Start Serial: D548

31шт.

MAINTENANCE PART

1шт.

FOR LBX422S, LBX432S ONLY

1шт.

9

80333228

KEY

1шт.

10

140046

BELLEVILLE WASHER,M12 Bolt Size x 27mm OD x 1.8mm Thk

12шт.

11

89706685

NUT

8шт.

12

80140046

WASHER

8шт.

13

9706685

NUT,M12 x 1.75, Cl 8

12шт.

14

84607735

ARM

2шт.

15

84607749

ANGLE

2шт.

FOR LBX322S, LBX322P, LBX332S, LBX332P ONLY

1шт.

15

84607748

SKID PLATE

2шт.

FOR LBX422S, LBX432S ONLY

1шт.

16

80120041

CARRIAGE BOLT

M10 x 20

18шт.

17

100016

NUT,M10 x 1.5, Cl 8

6шт.

18

80140045

WASHER

Belleville, M10

6шт.

19

84818655

FRAME

1шт.

FOR LBX322S, LBX322P, LBX332S, LBX332P ONLY

1шт.

19

84818648

FRAME

1шт.

FOR LBX422S, LBX432S ONLY

1шт.

20

338263

CARRIAGE BOLT,Sht Sq Nk, M12 x 1.75 x 70mm, Cl 8.8

4шт.

21

89837884

DRIVEN SPROCKET

1шт.

Выбрано товаров: 45