Запчасти Case IH 130 (39) - CYLINDER BLOCK

Схема запчастей Case IH 130 - (39) - CYLINDER BLOCK
FIT
1:1
100%

Артикул

Название

Примечание

Количество

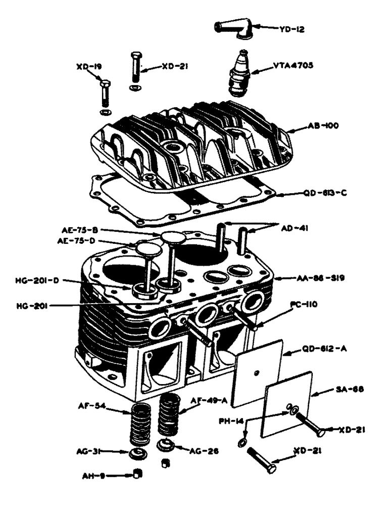
AA-86-S19

CYLINDER BLOCK WITH STELLITE EXHAUST VALVES AND INSERTS, GUIDES, SEATS LOCKS AND SPRINGS

1шт.

AB-100

HEAD - cylinder

1шт.

AD-41

GUIDE - valve stem

4шт.

AE-75-B

VALVE - inlet

2шт.

AE-75-D

VALVE - stellite exhaust

2шт.

AF-49A

SPRING - valve, inlet

2шт.

AF-54

SPRING - valve, exhaust

2шт.

AG-26

SEAT - valve spring, inlet

2шт.

AG-31

SEAT - roto, valve spring exhaust

2шт.

AH-9

LOCK - retainer, for valve spring

4шт.

HG-201

INSERT - valve seat, inlet

2шт.

HG-201-D

INSERT - stellite valve seat, exhaust

2шт.

PC-110

STUD - mainfold to cylinder block mounting

2шт.

PH-14

WASHER - (5/16" lead) valve tapper inspection plate

2шт.

QD-612-A

GASKET - valve tapper inspection plate

2шт.

QD-613-C

GASKET - cylinder head

1шт.

SA-68

PLATE - valve tapper inspection cover, flywheel end

1шт.

5/16" - 18 x 1-1/2" hex. hd. cap screw

1шт.

5/16" lockwasher

1шт.

SA-68-A

PLATE - valve tapper inspection cover, take off end

1шт.

5/16" - 18 x 1-1/2" hex. hd. cap screw

1шт.

5/16" lockwasher

1шт.

XD-19

SCREW - (5/16" - 18 x 1/4") mounting cylinder head

15шт.

5/16" plain washer

15шт.

XD-21

SCREW - (5/16" - 18 x 1/2") valve inspection cover plate and mounting cylinder head

4шт.

5/16" plain washer

2шт.

YD-12

NIPPLE - spark plug

2шт.

VTA4705

X

SPARK PLUG - (Champion no. 8 comm. 18MM)

2шт.

Выбрано товаров: 28