Запчасти Case IH 133 (62) - FEEDER ASSIST ATTACHMENT

Схема запчастей Case IH 133 - (62) - FEEDER ASSIST ATTACHMENT
FIT
1:1
100%

Артикул

Название

Примечание

Количество

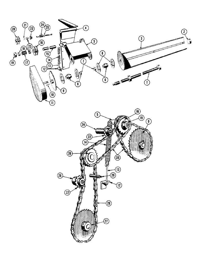
1

B15811

SHAFT - beater

1шт.

2

B15810

DISC - inside beater

1шт.

3

B15808

BEATER

1шт.

SCREW - 5/16" x 1" N.C. rhd. mach. w/nut and L.W.

9шт.

4

B15798

BEARING - beater hanger

1шт.

BOLT - 5/16" x 2-1/2" N.F. hex. w/nut and L.W.

1шт.

BOLT - 3/8" x 3/4" N.F. hex. w/nut and L.W.

8шт.

5

B15804

HANGER - beater

1шт.

SCREW - 5/16" x 1" N.C. rhd. mach. w/nut and L.W.

1шт.

6

313CBA

BEARING - (Fafnir #1103KLLB-3) Beater shaft

2шт.

7

O697CB

X

COLLAR

1шт.

8

O650CB

X

FLANGE - beater bearing

4шт.

BOLT - 3/8" x 1" carr. w/nut and L.W.

6шт.

9

B15819

SPROCKET - (44T) Driven, beater

1шт.

SCREW - 3/8" x 1/2" sq. hd. cup pt. set

2шт.

10

O2227CH

KEY

- ref. 9 sprocket to beater shaft

1шт.

11

B15830

GUARD - beater

1шт.

12

B11740

ANCHOR - spring bolt

1шт.

BOLT - 3/8" x 1" N.C. hex. w/nut and L.W.

1шт.

13

B11448

EYEBOLT - feeder assist spring

1шт.

NUT - 3/8" N.C. hex. jam

2шт.

14

65EB

SPRING - feeder assist

1шт.

15

B15807

SHAFT - beater pivot

1шт.

FITTING - 1/8" str. Lincoln #5000

1шт.

16

B15856

SPROCKET - (21T dbl.) Driven, drives beater and auger

1шт.

17

O317CH

BEARING - (Hyatt #94526)

1шт.

18

O30700HT

RACE

2шт.

19

O3556N

COLLAR - for ref. 16 sprocket

1шт.

SCREW - 1/4" x 1/2" N.C. sq. hd. cup pt. set

1шт.

20

B15813

SPROCKET - (20T) Driven, drives auger and beater

1шт.

SCREW - 3/8" x 1/2" Allen hd. cup pt. set

2шт.

21

O4642AB

X

WASHER - idler sprocket

2шт.

22

A491NA

SPROCKET - (12T) Idler, auger drive chain

1шт.

FITTING - 1/8" str. Lincoln #5000

1шт.

23

F40529

BUSHING

1шт.

24

B15817

STUD - idler sprocket

1шт.

BOLT - 1/2" x 4-1/2" carr. w/nut and L.W.

1шт.

WASHER - 1/2" plain

1шт.

25

195-2514

SQ HOLE WASHER,41/64" x 1 1/2" x .105", Sq Hole

- idler bolt stud

1шт.

26

B11676

STUD - idler sprocket

1шт.

BOLT - 1/2" x 3-1/2" carr. w/nut and L.W.

1шт.

WASHER - 1/2" flat

1шт.

27

B11672

SPROCKET - (33T) Auger drive

1шт.

SCREW - 3/8" x 1/2" N.C. sq. hd. cup pt. set

2шт.

28

B15850

CHAIN - auger drive (NSS-see page 3)

1шт.

29

B15799

STUD - guard adapter

1шт.

30

B15820

CHAIN - feeder assist, beater drive (NSS-see page 3)

2шт.

Выбрано товаров: 47