Запчасти Case IH 200 (20) - FEED TABLE

Схема запчастей Case IH 200 - (20) - FEED TABLE
FIT
1:1
100%

Артикул

Название

Примечание

Количество

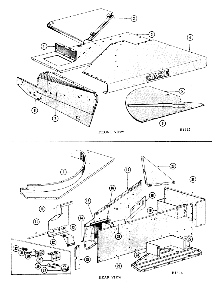
1

F60749

BAFFLE

1шт.

SCREW - 1/4" x 1/2" N.C. truss hd. (175-400) nut (129-101) L.W. (92-4)

6шт.

2

F95461

COVER - twine box

1шт.

SCREW - 1/4" x 1/2" N.C. truss hd. (175-400) nut (129-101) L.W. (92-4)

4шт.

3

F60746

BOTTOM - feed table

1шт.

SCREW - 1/4" x 1/2" N.C. truss hd. (175-400) nut (129-101) L.W. (92-4)

10шт.

4

F95456

SHEET - top

1шт.

SCREW - 1/4" x 1/2" N.C. truss hd (175-400)

29шт.

NUT - 1/4" N.C. hex. (129-101) L.W. (92-4)

5шт.

NUT - Tinnerman (131-120)

24шт.

5

F95488

SHEET - top, inboard

1шт.

BOLT - 1/4" x 3/4" N.C. hex. (13-412) nut (25-104) L.W. (92-4)

1шт.

BOLT - 3/8" x 1" N.C. hex. (13-616) nut (25-106) L.W. (92-6)

2шт.

6

F60767

SUPPORT - inboard top sheet

1шт.

SCREW - 1/4" x 1/2" N.C. truss hd. (175-400) nut (129-101) L.W. (92-4)

2шт.

7

F60777

SHROUD - R.H. feed table sheet

1шт.

SCREW - 1/4" x 1/2" N.C. truss hd. (175-400) nut (129-101) L.W. (92-4)

6шт.

8

F60747

SHEET - feed table, R.H.

1шт.

BOLT - 3/8" x 1" rhd. sq. nk. (11-616) nut (25-106) L.W. (92-6)

3шт.

SCREW - 1/4" x 1/2" N.C. truss hd. (175-400) nut (129-101) L.W. (92-4)

8шт.

9

F95453

SHEET - top, outboard

1шт.

SCREW - 1/4" x 1/2" N.C. truss hd. (175-400) nut (129-101) L.W. (92-4)

14шт.

10

F95459

DOOR - chamber clean-out

1шт.

11

F60776

ROD - hinge

1шт.

12

F60769

STRAP - hinge

1шт.

SCREW - 1/4" x 1/2" N.C. truss hd. (175-400) nut (129-101) L.W. (92-4)

3шт.

13

F95454

GUSSET - end, clean-out door

1шт.

SCREW - 1/4" x 1/2" N.C. truss hd. (175-400) nut (129-101) L.W. (92-4)

3шт.

14

F60763

REINFORCEMENT - rear sheet

1шт.

SCREW - 1/4" x 1/2" N.C. truss hd. (175-400) nut (129-101) L.W. (92-4)

6шт.

15

F60751

PANEL - feed chamber

1шт.

SCREW - 1/4" x 1/2" N.C. truss hd. (175-400) nut (129-101) L.W. (92-4)

7шт.

SCREW - 1/4" x 5/8" N.C. truss hd. (175-402) nut (129-101) L.W. (92-4)

1шт.

16

F60765

ENCLOSURE - feed table extension opening

1шт.

SCREW - 1/4" x 1/2" N.C. truss hd. (175-400) nut (129-101) L.W. (92-4)

3шт.

17

F60750

BULKHEAD - twine box

1шт.

SCREW - 1/4" x 1/2" N.C. truss hd. (175-400)

14шт.

SCREW - 1/4" x 5/8" N.C. truss hd. (175-402)

2шт.

LOCKWASHER - 1/4" (92-4)

16шт.

FLATWASHER - 1/4" (195-102)

2шт.

18

F60946

PLATE - filler

1шт.

19

F60757

ENCLOSURE - tool

1шт.

SCREW - 1/4" x 1/2" N.C. truss. hd (175-400) nut (129-101) L.W. (92-4)

2шт.

20

F60758

GUSSET - feed table top sheet

1шт.

SCREW - 1/4" x 1/2" N.C. truss hd. (175-400) nut (129-101) L.W. (92-4)

8шт.

21

F60753

SHEET - end, feed table

1шт.

SCREW - 1/4" x 1/2" N.C. truss hd. (175-400) nut (129-101) L.W. (92-4)

8шт.

22

F60752

BOTTOM - twine box

1шт.

SCREW - 1/4" x 1/2" N.C. truss hd. (175-400) nut (129-101) L.W. (92-4)

7шт.

23

F95577

PARTITION - twine box

1шт.

SCREW - 1/4" x 1/2" N.C. truss hd. (175-400)

4шт.

NUT - 1/4" N.C. hex. (129-101) L.W. (92-4)

5шт.

24

F60764

EXTENSION - feed table

1шт.

SCREW - 1/4" x 1/2" N.C. truss hd. (175-400) nut (129-101) L.W. (92-4)

3шт.

25

F60748

SHEET - rear, feed table

1шт.

SCREW - 1/4" x 1/2" N.C. truss. hd. (175-400) nut (129-101) L.W. (92-4)

6шт.

26

F60781

COVER - rear sheet

1шт.

SCREW - 1/4" x 1/2" N.C. truss. hd. (175-400) Tinnerman nut (131-117)

2шт.

27

F60580

GUIDE - twine

1шт.

28

F60581

BOLT

"U" BOLT - twine guide

1шт.

NUT - 1/4" N.C. hex. (129-101) L.W. (92-4)

2шт.

29

F60759

GUIDE (Double) Twine

1шт.

SCREW - 1/4" x 1" N.C. truss hd. (175-417) nut (129-101)

2шт.

30

F60760

BAR - pressure, twine guide

1шт.

31

O562CH

SPACER (7/16" rd. x 5/8" long)

2шт.

32

O2985AB1

SPRING

- twine guide

1шт.

SCREW - 1/4" x 2-1/4" N.C. rhd. (75-436) nut (129-101)

1шт.

Выбрано товаров: 67