Запчасти Case IH 5420 (9-12) - PLUNGER, CONTINUED (09) - CHASSIS

Схема запчастей Case IH 5420 - (9-12) - PLUNGER, CONTINUED (09) - CHASSIS
FIT
1:1
100%

Артикул

Название

Примечание

Количество

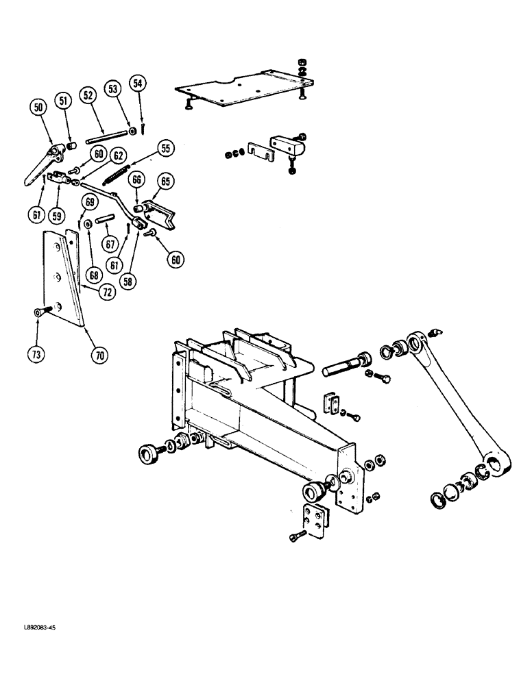
50

1337562C1

ARM

ASSEMBLY - lever

1шт.

51

1337561C1

BUSHING

- arm

1шт.

52

1337199C1

PIN

- arm

1шт.

53

21796R1

WASHER

- flat, 21/32 x 1 x 3/64 inch

4шт.

54

103397

COTTER PIN,5/32" x 1 1/4"

Pin, Split (Cotter), 5/32" x 1 1/4"

2шт.

55

1337198C1

SPRING

- return

1шт.

58

1337560C1

ROD

- link

1шт.

59

1337563C1

YOKE

- rod

1шт.

60

1337820C1

PIN

- yoke

2шт.

61

103396

PIN, SPLIT (COTTER),5/32" x 1"

5/32" x 1"

2шт.

62

30766R1

NUT,M14, Cl 8

- hex, 14 mm

1шт.

65

1337566C1

STOP

ASSEMBLY - plunger

1шт.

66

1337565C1

BUSHING

- stop

1шт.

67

1337564C1

PIN

- stop

1шт.

68

131017

WASHER

- flat, 13/16 x 1-1/2 x 7/64 inch

2шт.

69

432-1220

COTTER PIN,3/16" x 1 1/4"

Pin, Split (Cotter), 3/16" x 1 1/4"

2шт.

70

1337578C1

KNIFE

- bale

1шт.

72

1337577C1

SHIM

- knife

3шт.

73

1337822C1

SCREW,Flat Hd, M16 x 2 x 30mm

- flat head, 16 mm - 2.0 x 30 mm

3шт.

Выбрано товаров: 19