Запчасти Case IH 5420 (9-22) - PICKUP PTO DRIVE (09) - CHASSIS

Схема запчастей Case IH 5420 - (9-22) - PICKUP PTO DRIVE (09) - CHASSIS
FIT
1:1
100%

Артикул

Название

Примечание

Количество

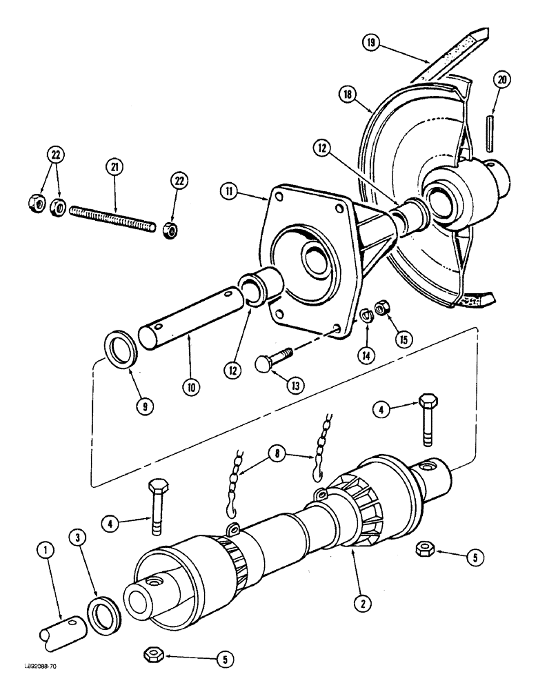
1

ZA551171

SHAFT

- drive, pickup cylinder

1шт.

2

REF

INSTRUCTION

DRIVE ASSEMBLY - pickup (See Page 9-25)

1шт.

3

591715R1

WASHER

- flat, 1-1/32 x 1-1/2 x 3/64 inch

1шт.

4

113-257

BOLT,Hex, 3/8" - 16 x 2-1/2", Gr 5

- hex, 3/8 NC x 2-1/2 inch

2шт.

5

9413979

LOCK NUT,3/8"-16, GC

NUT - hex lock, 3/8 inch NC

2шт.

8

ZA105864

CHAIN (AG)

CHAIN - shield

2шт.

9

Q3484

WASHER

- flat, 1-9/32 x 1-7/8 x 1/16 inch

1шт.

10

ZA551170

SHAFT

- drive

1шт.

11

1337631C1

BRACKET

ASSEMBLY - shaft (Includes lube fitting)

1шт.

12

1337630C1

BUSHING

- bracket

2шт.

13

550796R1

CARRIAGE BOLT,3/8" - 16 x 1 1/4", Grade 5

BOLT - round head square neck, 3/8 NC x 1-1/4 inch

4шт.

14

120382

LOCK WASHER,Helical Spring, 3/8"

WASHER, LOCK, 3/8"

4шт.

15

120377

NUT,3/8" - 16, Gr 5

4шт.

18

1337632C1

PULLEY

- drive

1шт.

19

560689R1

BELT

Drive

1шт.

20

366281R1

PIN,3/8" x 2", Coiled

1шт.

21

1337629C1

ROD

- threaded

1шт.

22

30168R1

NUT,M10, Cl 10

- hex, 10 mm

3шт.

Выбрано товаров: 18