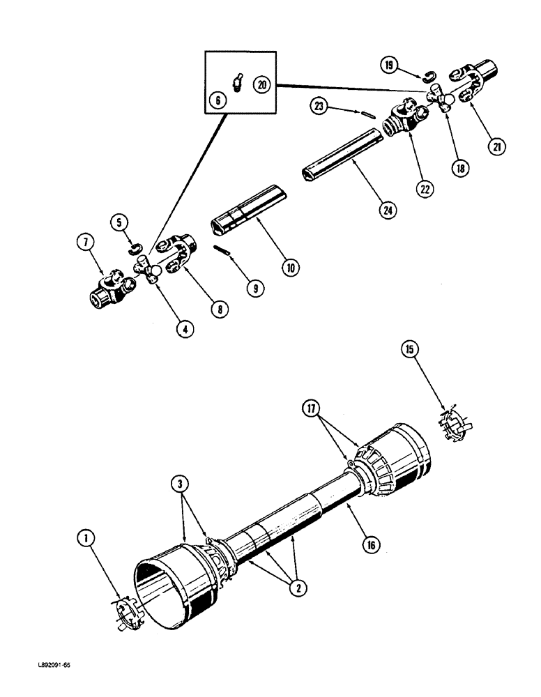
Запчасти Case IH 5420 (9-24) - TELESCOPING PICKUP DRIVE LINE (09) - CHASSIS

Схема запчастей Case IH 5420 - (9-24) - TELESCOPING PICKUP DRIVE LINE (09) - CHASSIS
FIT
1:1
100%

Артикул

Название

Примечание

Количество

ZA551211

SHAFT ASSY.

SHAFT ASSEMBLY - outer, drive line

1шт.

ZA551209

SHIELD

ASSEMBLY - outer

1шт.

1

ZA210360

BEARING

SHIELD - bearing

1шт.

2

NSS

NOT SOLD SEPARAT

TUBE - outer, shield

1шт.

3

NSS

NOT SOLD SEPARAT

CONE - shield

1шт.

4

ZA210369

KIT

CROSS KIT - yoke

1шт.

5

NSS

NOT SOLD SEPARAT

RING - snap

4шт.

6

ZA210343

NIPPLE, LUBE

FITTING - lube

1шт.

7

ZA551206

YOKE

- outer

1шт.

8

ZA551207

YOKE

- tube

1шт.

9

ZA210328

PIN

- roll

1шт.

10

NSS

NOT SOLD SEPARAT

TUBE - outer

1шт.

ZA551212

SHAFT ASSY.

SHAFT ASSEMBLY - inner, drive line

1шт.

ZA551210

SHIELD

ASSEMBLY - inner

1шт.

15

ZA210361

BEARING

SHIELD - bearing

1шт.

16

NSS

NOT SOLD SEPARAT

TUBE - inner, shield

1шт.

17

NSS

NOT SOLD SEPARAT

CONE - shield

1шт.

18

ZA210369

KIT

CROSS KIT - yoke

1шт.

19

NSS

NOT SOLD SEPARAT

RING - snap

4шт.

20

ZA210343

NIPPLE, LUBE

FITTING - lube

1шт.

21

ZA551208

YOKE

- outer

1шт.

22

ZA210356

YOKE

- tube

1шт.

23

ZA210355

PIN

- roll

1шт.

24

NSS

NOT SOLD SEPARAT

TUBE - inner

1шт.

Выбрано товаров: 24