Запчасти Case IH 5420 (9-40) - KNOTTER FRAME AND TUCKER FINGERS (09) - CHASSIS

Схема запчастей Case IH 5420 - (9-40) - KNOTTER FRAME AND TUCKER FINGERS (09) - CHASSIS
FIT
1:1
100%

Артикул

Название

Примечание

Количество

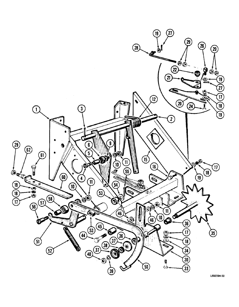
1

1337735C1

FRAME

- knotter

1шт.

2

1337725C1

LEVER ASSY.

LEVER - knotter

1шт.

3

103397

COTTER PIN,5/32" x 1 1/4"

Pin, Split (Cotter), 5/32" x 1 1/4"

2шт.

4

30023R1

BOLT,Hex, M10 x 1.5 x 40mm, Cl 10.9

- hex, 10 mm - 1.50 x 40 mm

1шт.

5

1337726C1

BUSHING

- lever

1шт.

6

1337727C1

BUSHING

- lever

1шт.

9

120394

WASHER,3/8", SAE

WASHER - flat, 13/32 x 13/16 x 3/64 inch

2шт.

10

933965R1

LOCK WASHER,M10

1шт.

11

30168R1

NUT,M10, Cl 10

- hex, 10 mm

1шт.

12

1337728C1

SPRING

- return

1шт.

15

1337734C1

CHANNEL

- frame

1шт.

16

180077

BOLT,Hex, 5/16" - 18 x 3/4", Gr 5

- hex, 5/16 NC x 3/4 inch

10шт.

17

120376

NUT,5/16"-18, G5

1шт.

18

80681

LOCK WASHER,5/16"

WASHER, LOCK, 5/16"

1шт.

19

619855R1

WASHER

- flat, 11/32 x 3/4 x 1/16 inch

1шт.

1337974C1

FINGER

ASSEMBLY - tucker

2шт.

20

NSS

NOT SOLD SEPARAT

BRACKET - finger

2шт.

21

NSS

NOT SOLD SEPARAT

FINGER - tucker

2шт.

22

NSS

NOT SOLD SEPARAT

LINK - joint

2шт.

24

133837

SCREW - flat head slotted, 5/16 NC x 1 inch

4шт.

26

1337732C1

YOKE

- finger

2шт.

27

103385

COTTER PIN,1/8" x 1"

PIN, SPLIT (COTTER), 1/8" x 1"

4шт.

28

ZA551072

ROD

- control (Replaces 1337729C1)

2шт.

29

30167R1

NUT,M8, Cl 10

- hex, 8 mm, Cl 10

4шт.

30

1337745C1

BRACE

BRACKET - star wheel

1шт.

33

3118413R1

BOLT,Button Head, 3/16" - 18 x 1"

SCREW - machine, 5/16 NC x 1 inch

2шт.

34

446363

WASHER,5/16"

- flat, 3/8 x 7/8 x 1/16 inch

2шт.

35

1337746C1

WHEEL

- star

1шт.

36

1337743C1

BUSHING

- bracket

2шт.

37

1337741C1

GUIDE

- spacer

2шт.

38

1337742C1

SPACER

- guide

1шт.

39

933966R1

LOCK WASHER,M12

WASHER - lock, 12 mm

1шт.

40

30169R1

NUT,M12 x 1.75, Cl 10

- hex, 12 mm

1шт.

44

30027R1

BOLT,Hex, M10 x 1.5 x 60mm, Cl 10.9

- hex, 10 mm - 1.50 x 60 mm

1шт.

45

1337818C1

SPACER

- bolt

1шт.

46

20803R1

WASHER

- flat, 13/32 x 1 x 7/64 inch

2шт.

50

1337744C1

LEVER

- knotter

1шт.

51

1337738C1

GUIDE

- lever

1шт.

52

1337739C1

SPRING

- return

1шт.

53

1337740C1

BUSHING

- lever

2шт.

54

NLS

NO LONGER SERVICED

- flat, 13/16 x 1-1/2 x 7/64 inch

1шт.

55

103409

PIN, SPLIT (COTTER),3/16" x 1 1/2"

1шт.

56

1337737C1

PIN

- pivot

1шт.

57

1337726C1

BUSHING

- pin

1шт.

58

1337727C1

BUSHING

- lever

1шт.

60

1337736C1

LOCK

- lever

1шт.

61

9635884

BOLT,Hex, 5/16" - 18 1", Full Thd, Gr 5

- hex, 5/16 NC x 1 inch

2шт.

62

131030C1

BOLT,M8 x 40mm

- hex special, 8 mm x 40 mm

1шт.

Выбрано товаров: 48